24KV Blindage mural 190×190×330 - TG3-24KV Haute performance 2500-5000A IP67

Description:

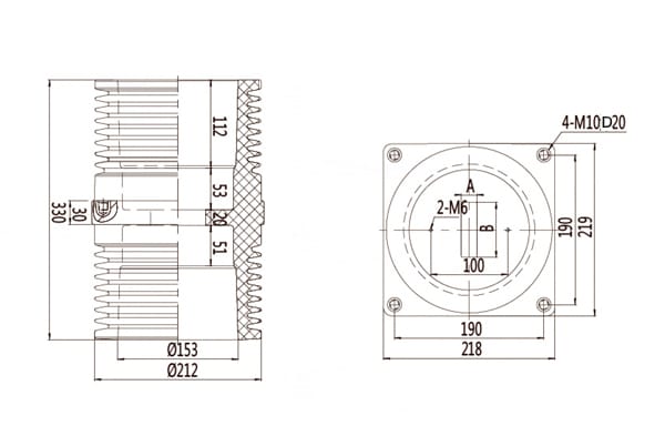
TG3-24KV/190×190×330 24KV traversée de mur avec blindage : Conception compacte 190×190×330mm, haute capacité 2500-5000A, blindage électromagnétique, résistance mécanique 6000N, protection IP67.

Applications:

  • Systèmes d'alimentation industriels critiques: Installations de fabrication, centres de données, installations d'équipements de précision nécessitant une conception haute performance blindée réduisant les interférences électromagnétiques pour une meilleure stabilité du système avec une capacité de 2500-5000A et une tension nominale de 24kV assurant un fonctionnement résistant aux interférences dans les environnements électroniques sensibles.
  • Réseaux avancés de distribution d'électricité: Infrastructure de réseau intelligent, sous-stations automatisées, installations de systèmes de contrôle exigeant une isolation et une résistance avancées offrant une excellente isolation, une endurance mécanique avec une résistance de 6000N et une distance de fuite de 480mm offrant une protection électrique supérieure et une fiabilité à long terme dans les applications de haute performance.
  • Applications en environnement modéré: Installations intérieures, environnements industriels contrôlés, conditions de fonctionnement standard nécessitant des performances fiables maintenant un fonctionnement stable sous la poussière, l'humidité et les variations de température modérées entre -25℃ et +40℃ avec une protection IP67 garantissant des performances constantes dans des environnements industriels typiques.
  • Projets d'intégration compacts: Installations à espace limité, modernisation des équipements, solutions d'alimentation efficaces nécessitant une conception compacte et de grande capacité permettant une intégration efficace dans les équipements d'alimentation avec des charges de courant importantes utilisant des dimensions de 190×190×330 mm optimisées pour les appareillages de connexion, les transformateurs et les RMU dans les secteurs industriels critiques.

Spécifications

24KV Blindage mural 190×190×330 - TG3-24KV Haute performance 2500-5000A IP67

Nombre de barres d'arrêt praticables Barre omnibus simple Barre omnibus simple Barre omnibus simple
A 20 20 20
B 70 90 110

Caractéristiques

Type TG3-24KV/190×190×330(With Shielding)
Tension nominale 24kV
Courant nominal 2500A ~ 5000A
Puissance Fréquence Tension supportée 68kV/1min
Tension de tenue aux chocs de foudre 125kV
Matériau Résine époxy + couche de blindage en cuivre + isolation composite en caoutchouc de silicone
Résistance mécanique 6000N
Distance de fuite 480 mm (rapport de fuite 20 mm/kV)
Température de l'environnement opérationnel -25℃ ~ +40℃

 

Faites connaître Bepto au monde entier

Bepto est une entreprise chinoise de premier plan dans le domaine de l'isolation électrique, qui se concentre sur le développement de solutions avancées pour les futurs systèmes électriques. Nous soutenons la sécurité et la croissance de la transmission et de la distribution, avec des partenaires à long terme tels que State Grid, ABB, Schneider, Siemens et GE. Nos services s'adressent à des clients dans plus de 22 pays.

Application

TOUT CE QUE VOUS N'AVEZ PAS PU TROUVER?
Parlez avec nos vendeurs

Bepto se concentre sur le marché mondial et fournit à ses clients des produits adaptés au marché local :

ENVOYEZ-NOUS UN COURRIEL
Nous contacter

Inébranlable dans son dévouement envers ses clients et dans ses innovations de pointe, Bepto est votre allié indéfectible dans le voyage qui s'annonce.

Formulaire Contact 2
🔒 Vos informations sont sécurisées et cryptées.
Logo Bepto rouge
Obtenir plus d'avantages depuis Soumettre le formulaire d'information
Formulaire de contact
🔒 Vos informations sont sécurisées et cryptées.