Boîte à contacts pour courant fort 3150A - CHN3-12KV/250 2500-3150A APG Epoxy IP67

Description:

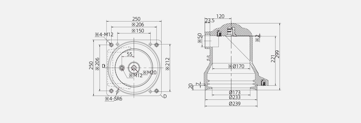
CHN3-12KV/250 Boîte à contacts pour courant fort : capacité 2500-3150A, court-circuit 50kA/4s, crête 125kA, moulage par injection APG, étanchéité IP67, optimisation thermique, réduction des coûts du cycle de vie.

Applications:

  • Distribution d'énergie dans l'industrie lourde: Aciéries, fonderies d'aluminium, usines chimiques nécessitant une capacité de courant élevée de 2500 à 3150 A, installations pétrochimiques avec des opérations continues à forte charge nécessitant une uniformité d'isolation améliorée par APG et une optimisation des performances thermiques pour un fonctionnement fiable 24h/24 et 7j/7
  • Centres de données à grande échelle: Installations d'informatique en nuage à grande échelle, opérations de minage de crypto-monnaie, centres de calcul à haute performance exigeant une consolidation à courant élevé avec une conception peu encombrante, permettant l'intégration de plusieurs alimentations dans des unités compactes uniques avec des avantages de réduction des coûts du cycle de vie.
  • Systèmes d'alimentation pour le transport ferroviaire: Sous-stations de traction ferroviaire à grande vitesse, distribution d'énergie dans les métros urbains, infrastructure de recharge des véhicules électriques nécessitant une protection contre les courts-circuits de 50kA/4s et une capacité de crête de 125kA avec une finition résistante à la corrosion pour les atmosphères côtières et industrielles.
  • Consolidation des énergies renouvelables: Systèmes de capteurs pour grands parcs éoliens, centrales solaires à grande échelle, applications de stockage d'énergie raccordées au réseau nécessitant une optimisation des performances thermiques et une construction monobloc sans soudure pour une durée de vie prolongée dans des conditions environnementales extrêmes allant de -40°C à +40°C.

Spécifications

Boîte à contacts pour courant fort 3150A - CHN3-12KV250 2500-3150A APG Epoxy IP67

La sélection Numéro de dessin. Courant nominal
CHN3-10Q/250
5RA12.012.014
≤3150A

Faites connaître Bepto au monde entier

Bepto est une entreprise chinoise de premier plan dans le domaine de l'isolation électrique, qui se concentre sur le développement de solutions avancées pour les futurs systèmes électriques. Nous soutenons la sécurité et la croissance de la transmission et de la distribution, avec des partenaires à long terme tels que State Grid, ABB, Schneider, Siemens et GE. Nos services s'adressent à des clients dans plus de 22 pays.

Application

TOUT CE QUE VOUS N'AVEZ PAS PU TROUVER?
Parlez avec nos vendeurs

Bepto se concentre sur le marché mondial et fournit à ses clients des produits adaptés au marché local :

ENVOYEZ-NOUS UN COURRIEL
Nous contacter

Inébranlable dans son dévouement envers ses clients et dans ses innovations de pointe, Bepto est votre allié indéfectible dans le voyage qui s'annonce.

Formulaire Contact 2
🔒 Vos informations sont sécurisées et cryptées.
Logo Bepto rouge
Obtenir plus d'avantages depuis Soumettre le formulaire d'information
Formulaire de contact
🔒 Vos informations sont sécurisées et cryptées.