Spécialisé dans la production de produits d'isolation

40.5kV Isolant connecté - KYN28-24 VD4 Switchgear 630-3150A 185kV Lightning

Description:

Isolateur connecté 40,5kV : Connexion professionnelle pour KYN28-24/VD4, courant de 630-3150A, protection contre la foudre de 185kV, options de double hauteur.

Applications:

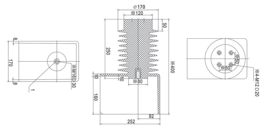
  • Connexion avancée de l'appareillage KYN28-24 VD4: Isolateurs connectés professionnels Ф170*385/400 40,5kV spécialement conçus pour les systèmes de connexion d'appareillage intérieur KYN28-24, KYN28-12, KYN61 et VD4, supportant une plage de courant de 630-3150A avec des configurations à double hauteur (385/400mm) et une protection exceptionnelle contre les coups de foudre de 185kV pour des connexions électriques fiables dans la distribution d'énergie industrielle, les installations de fabrication et les bâtiments commerciaux nécessitant des connexions sécurisées entre les armoires et une sécurité d'isolation électrique maximale.
  • Connexion à la distribution d'énergie industrielle: Isolation spécialisée des connexions à double hauteur pour les interconnexions d'armoires électriques intérieures 12kV-40,5kV, offrant une isolation électrique sûre avec une tension nominale de 40,5kV, une résistance à la fréquence d'alimentation de 95kV et une fiabilité de connexion avancée pour la liaison d'équipements critiques, les connexions de barres omnibus et les opérations de commutation automatisées dans les réseaux électriques industriels, les centres de données et les complexes commerciaux de grande hauteur exigeant une intégrité de connexion absolue.
  • Applications d'interconnexion d'appareillages intelligents: Isolateurs connectés essentiels de 40,5kV pour les systèmes d'interconnexion de commutation intelligents soutenant l'infrastructure électrique moderne avec une manipulation de courant ultra-haute (jusqu'à 3150A), une double flexibilité de configuration (Ф170*385/400mm), et une surveillance intelligente de la connexion pour l'optimisation du réseau, la distribution de la charge et la maintenance prédictive dans l'infrastructure de connexion électrique contemporaine, y compris les hôpitaux, les aéroports et les installations industrielles critiques.

Spécifications

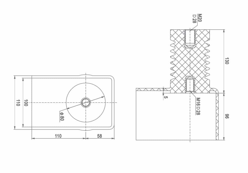
40.5kV Connected Insulator Ф80x226 - KYN28-24 VD4 Switchgear 630-3150A 185kV Lightning

Type Numéro de dessin.
Ф80×226 5RA12.026.026

40.5kV Isolateur connecté Ф170x385 400 - KYN28-24 VD4 Switchgear 630-3150A 185kV Lightning

Type Numéro de dessin.
Ф170×400 5RA35.016.129

Caractéristiques

Objet Valeur Unité
Tension nominale 40.5 kV
Courant nominal 630-3150 A
PF 95 kV/1min
PD 1.1UR≤3 pc
Tension de tenue aux chocs de foudre 185 kV
PTI 1A2.5
TG 105±5 °C
Indice de flamme V1 UL94
V0 Besoins particuliers
Capacités 45/100 mm
Rampes de pénétration que de 20 mm/kV
Couleur 3009 RAL

Manuel

40.5kV-Insulateur connecté.pdf
Fichier PDF 2,91 Mo

Faites connaître Bepto au monde entier

Bepto est une entreprise chinoise de premier plan dans le domaine de l'isolation électrique, qui se concentre sur le développement de solutions avancées pour les futurs systèmes électriques. Nous soutenons la sécurité et la croissance de la transmission et de la distribution, avec des partenaires à long terme tels que State Grid, ABB, Schneider, Siemens et GE. Nos services s'adressent à des clients dans plus de 22 pays.

Application

TOUT CE QUE VOUS N'AVEZ PAS PU TROUVER?
Parlez avec nos vendeurs

Bepto se concentre sur le marché mondial et fournit à ses clients des produits adaptés au marché local :

ENVOYEZ-NOUS UN COURRIEL
Nous contacter

Inébranlable dans son dévouement envers ses clients et dans ses innovations de pointe, Bepto est votre allié indéfectible dans le voyage qui s'annonce.

Formulaire Contact 2
🔒 Vos informations sont sécurisées et cryptées.
Logo Bepto rouge
Obtenir plus d'avantages depuis Soumettre le formulaire d'information
Formulaire de contact
🔒 Vos informations sont sécurisées et cryptées.