24KV 牆壁襯套 175×255×310 - TG3-24KV 重載型 2500-5000A IP68 極限型

產品說明:

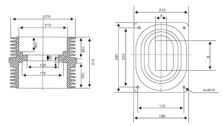
TG3-24KV/175×255×310 24KV 牆壁襯套:175×255×310mm 重型設計,2500-5000A 大電流能力,170kV 雷擊沖擊,極端環境耐受力,IP68 防護等級。.

應用:

  • 大型電力基礎建設:主要發電設施、高壓輸電網絡、公用事業規模的可再生能源裝置,需要高電壓與高電流能力,以支援高要求中壓應用的穩定運作,2500-5000A 的容量與 24kV 的額定電壓,可在關鍵基礎建設專案中提供最大的電力處理能力。
  • 重工業電源系統鋼鐵製造綜合廠、鋁製造設施、大型化工廠要求強化絕緣結構,提供優異的電絕緣和電磁屏蔽,具有 70kV 工頻和 170kV 雷擊脈衝耐壓,可在高壓力的工業環境中提供強化的電氣保護。
  • 極端環境安裝海上石油平台、北極採礦作業、沙漠太陽能發電場等需要極端環境耐久性的應用,可在 -40℃ 至 +90℃ 的惡劣天氣和高壓力工業環境中可靠運作,IP68 防護等級可確保在最嚴苛的作業條件下持續運作。
  • 重型系統整合:電網擴建專案、工業設施現代化、大型基礎建設發展,需要重型設計的相容性,適合大型基礎建設和高負載電力系統,175×255×310mm 的尺寸支援能源、石化和重工業等廣泛的產業應用。

規格

24KV 牆壁襯套 175×255×310 - TG3-24KV 重載型 2500-5000A IP68 極限型

可通過的母線數量 單母线 單母线 單母线
A 10 12 12
B 62 82 102

特點

類型 TG3-24KV/175×255×310
額定電壓 24kV
額定電流 2500A ~ 5000A
功率頻率 耐壓 70kV/1 分鐘
雷擊脈衝耐壓 170kV
材質 環氧樹脂 + 銅屏蔽層 + 矽橡膠複合絕緣層
適用溫度範圍 -40℃ ~ +90℃
保護等級 IP68
安裝尺寸 175×255×310 mm (外徑 × 長度 × 總高度)

讓世界瞭解 Bepto

Bepto 是中國領先的電氣絕緣公司,專注於為未來電力系統開發先進的解決方案。我們與包括國家電網、ABB、施耐德、西門子和 GE 在內的長期合作夥伴共同支持輸配電系統的安全和發展。我們的服務覆蓋超過 22 個國家的客戶。.

應用

有什麼是你找不到的?
與我們的銷售人員交談

Bepto 專注於全球市場,並為客戶提供適合當地市場的產品:

給我們發送電子郵件
聯絡我們

我們堅定不移地致力於為客戶提供最先進的創新產品,Bepto 是您前進路上的堅定盟友。.

表單聯絡人 2
🔒 您的資訊是安全且加密的。.
紅色 Bepto 標誌
提交資訊表格後可獲得更多優惠
表單聯絡
您的資訊是安全且加密的。.