جلبة جدارية بجهد 12 كيلو فولت 130×210 - TG3-12 كيلو فولت عالي الجهد 2000-3150 أمبير IP68 متين

الوصف::الوصف

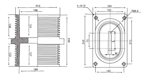
جلبة حائط TG3-12KV/130×210 12KV 12KV: حجم موحد 130×210 مم، دعم تيار عالي 2000-3150 أمبير، متانة عالية الجهد 108 كيلو فولت، قدرة عالية على التكيف مع البيئة القاسية، حماية IP68.

التطبيقات::التطبيقات

  • شبكات الطاقة ذات المهام الحرجة: المحطات الفرعية للمرافق، ومحطات الطاقة الصناعية، والبنية التحتية الحيوية التي تتطلب متانة عالية الجهد تتحمل تردد طاقة 48 كيلو فولت وصاعقة صاعقة 108 كيلو فولت مثالية لأنظمة التيار العالي 12 كيلو فولت التي تتطلب أقصى قدر من الموثوقية الكهربائية والحماية من زيادة التيار في التطبيقات ذات المهام الحرجة
  • منشآت البيئة القاسية: منشآت القطب الشمالي، ومحطات الطاقة الصحراوية، والمحطات الفرعية الساحلية التي تحتاج إلى التكيف مع البيئة القاسية التي تعمل بموثوقية عبر -40 درجة مئوية إلى +85 درجة مئوية مع حماية مصنفة IP68 لمقاومة الغبار والماء لضمان التشغيل المستمر في أقسى الظروف البيئية
  • التطبيقات الصناعية الثقيلة: مصانع الصلب، ومصاهر الألومنيوم، والمجمعات البتروكيماوية التي تتطلب دعم تيار عالٍ للتعامل مع 2000-3150 أمبير، ومناسبة للمفاتيح الكهربائية والمحولات، وتركيبات وحدات إدارة المحولات ووحدات إدارة المحولات ذات المتطلبات العالية مع عزل مركب قوي يجمع بين راتنجات الإيبوكسي والدرع النحاسي ومطاط السيليكون لعزل فائق وتحكم في التداخل الكهرومغناطيسي الكهرومغناطيسي
  • مشاريع تكامل النظام: ترقيات شبكة الطاقة، وتوسعات المرافق، وعمليات تحديث المعدات التي تتطلب تكامل نظام موثوق به مصمم لتمرير الجدار الآمن بأبعاد تركيب قياسية 130 × 210 مم لتبسيط التركيب وضمان التوافق مع اللوحات الموجودة

المواصفات

جلبة جدارية بجهد 12 كيلو فولت 130×210 - TG3-12 كيلو فولت عالي الجهد 2000-3150 أمبير IP68 متين

عدد قضبان التوصيل القابلة للتمرير قضيب توصيل واحد قضيب توصيل واحد قضيب توصيل واحد قضيب توصيل واحد قضيب توصيل واحد قضيب توصيل مزدوج
L 50 70 110 110 137 128
W 5 18 18 50 70 18

الميزات

النوع TG3-12KV/130 × 210 × 12 كيلو فولت
الفولتية المقدرة 12 كيلو فولت
التيار المقنن 2000 أمبير إلى 3150 أمبير
تردد القدرة على تحمل الجهد الكهربائي 48 كيلو فولت/دقيقة
جهد تحمل الصدمة البرق 108 كيلو فولت
المواد راتنجات الإيبوكسي + طبقة عازلة من النحاس + عازل مركب من مطاط السيليكون
نطاق درجة الحرارة المطبقة -40℃ ~ +85℃
تصنيف الحماية IP68
أبعاد التركيب 130×210 مم (القطر الخارجي × الطول)

دع العالم يعرف العالم عن بيبتو

شركة Bepto هي شركة صينية رائدة في مجال العزل الكهربائي، تركز على تطوير حلول متقدمة لأنظمة الطاقة المستقبلية. نحن ندعم سلامة النقل والتوزيع والنمو، مع شركاء على المدى الطويل بما في ذلك State Grid وABB وشنايدر وسيمنز وجنرال إلكتريك. تصل خدماتنا إلى العملاء في أكثر من 22 دولة.

التطبيق

أي شيء لم تتمكن من العثور عليه?
تحدث مع مبيعاتنا

تركز Bepto على السوق العالمية وتوفر لعملائنا المنتجات المناسبة للسوق المحلية:

أرسل لنا بريداً إلكترونياً
اتصل بنا

تفانينا الذي لا يتزعزع في تفانينا تجاه العملاء وتقديم أحدث الابتكارات، تقف Bepto كحليف ثابت لك في رحلتك المقبلة.

نموذج الاتصال 2
🔒 معلوماتك آمنة ومشفرة.
شعار بيبتو الأحمر
احصل على المزيد من الفوائد منذ إرسال نموذج المعلومات
نموذج الاتصال
🔒 معلوماتك آمنة ومشفرة.