جلبة حائط واقية جدارية بجهد 35 كيلو فولت 220×220×450 - TG3-35KV مُحسَّن 2500-4000A IP68 مرن

الوصف::الوصف

TG3-35KV/220×220×450 35KV جلبة جدارية 35KV مع تدريع: تصميم مُحسَّن 220×220×450 مم، قدرة موثوقة 2500-4000 أمبير، تدريع كهرومغناطيسي، بيئات قاسية مرنة، حماية IP68.

التطبيقات::التطبيقات

  • أنظمة توزيع الطاقة عالية الجهد العالي: شبكات توزيع الطاقة المتقدمة، والمحطات الفرعية للمرافق، ومرافق الطاقة الصناعية التي تتطلب تدريعًا كهرومغناطيسيًا يعزز موثوقية النظام ويقلل من مخاطر التداخل في بيئات الجهد العالي بسعة 2500-4000 أمبير وتصنيف 35 كيلو فولت لضمان حماية كهرومغناطيسية فائقة في تطبيقات توزيع الطاقة الحرجة
  • البنية التحتية للطاقة في البيئة القاسية: منشآت الطاقة الخارجية، والمرافق ذات المناخ القاسي، والبيئات التشغيلية الصعبة التي تتطلب أداءً مرنًا في البيئات القاسية مع حماية IP68 وتحمل درجات حرارة واسعة من -40 درجة مئوية إلى +90 درجة مئوية لضمان التشغيل الموثوق به في أكثر الظروف البيئية تطلبًا مع التميز في العزل المركب
  • مشاريع دمج الجدران المحسّنة: اختراقات جدران نظام الطاقة، وتركيبات المحطات الفرعية، وتكامل مجموعة المفاتيح الكهربائية التي تتطلب تصميمًا محسنًا لتكامل الجدران من أجل اختراقات جدران ثابتة في البنية التحتية للطاقة بأبعاد 220×220×450 مم مصممة خصيصًا لتوصيلات كهربائية آمنة وموثوقة في تطبيقات نظام الطاقة
  • أنظمة معدات الطاقة الحرجة: أنظمة الطاقة الصناعية، والتطبيقات عالية الموثوقية، ومرافق الطاقة ذات المهام الحرجة التي تحتاج إلى وصلات آمنة ومستقرة تضمن عزلًا طويل الأمد وسلامة تشغيلية للمعدات الحرجة مع امتياز العزل المركب الذي يوفر حماية كهربائية قوية من خلال مواد الإيبوكسي والنحاس والسيليكون لتحقيق أقصى قدر من الموثوقية

المواصفات

جلبة حائط واقية جدارية بجهد 35 كيلو فولت 220×220×450 - TG3-35KV مُحسَّن 2500-4000A IP68 مرن

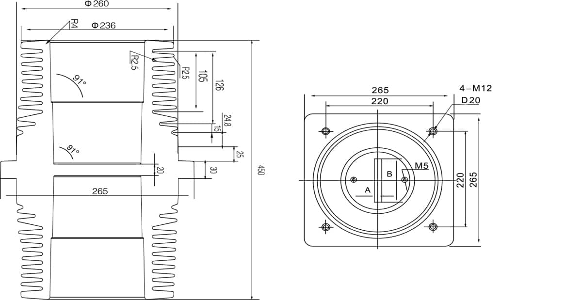
عدد قضبان التوصيل القابلة للتمرير قضيب توصيل واحد عمود نقل واحد/عمود نقل مزدوج عمود نقل واحد/عمود نقل مزدوج
A 20 20 20
B 70 90 110

الميزات

النوع TG3-35KV/220×220×450(With Shielding)
الفولتية المقدرة 35 كيلو فولت
التيار المقنن 2500 أمبير إلى 4000 أمبير
تردد القدرة على تحمل الجهد الكهربائي 85 كيلو فولت/1 دقيقة
جهد تحمل الصدمة البرق 185 كيلو فولت
المواد راتنجات الإيبوكسي + طبقة عازلة من النحاس + عازل مركب من مطاط السيليكون
تصنيف الحماية IP68
أبعاد التركيب 220 × 220 × 450 مم (القطر الخارجي × الطول × الارتفاع الكلي)
نطاق درجة الحرارة المطبقة -40℃ ~ +90℃

دع العالم يعرف العالم عن بيبتو

شركة Bepto هي شركة صينية رائدة في مجال العزل الكهربائي، تركز على تطوير حلول متقدمة لأنظمة الطاقة المستقبلية. نحن ندعم سلامة النقل والتوزيع والنمو، مع شركاء على المدى الطويل بما في ذلك State Grid وABB وشنايدر وسيمنز وجنرال إلكتريك. تصل خدماتنا إلى العملاء في أكثر من 22 دولة.

التطبيق

أي شيء لم تتمكن من العثور عليه?
تحدث مع مبيعاتنا

تركز Bepto على السوق العالمية وتوفر لعملائنا المنتجات المناسبة للسوق المحلية:

أرسل لنا بريداً إلكترونياً
اتصل بنا

تفانينا الذي لا يتزعزع في تفانينا تجاه العملاء وتقديم أحدث الابتكارات، تقف Bepto كحليف ثابت لك في رحلتك المقبلة.

نموذج الاتصال 2
🔒 معلوماتك آمنة ومشفرة.
شعار بيبتو الأحمر
احصل على المزيد من الفوائد منذ إرسال نموذج المعلومات
نموذج الاتصال
🔒 معلوماتك آمنة ومشفرة.