BESXV-12 قواطع دوائر كهربائية معزولة 12 كيلو فولت 630 أمبير - مجموعة مفاتيح كهربائية خالية من SF6 بقوة 20 كيلو أمبير 25 كيلو أمبير M2 C2 IP67 محكمة الغلق

الوصف::الوصف

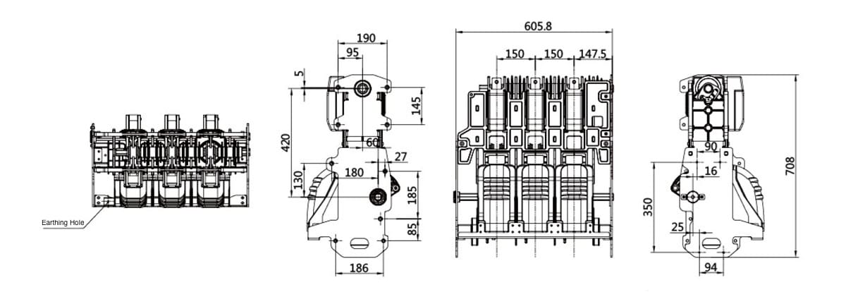
BESXV-12 قواطع دوائر كهربائية معزولة تحت العزل: مجموعة قواطع كهربائية خالية من SF6 بجهد 12 كيلو فولت 630 أمبير، قاطع 20 كيلو أمبير/25 كيلو أمبير، سعة ميكانيكية M2 C2 سعوي، محكم الإغلاق IP67، هواء جاف 0.02 ميجا باسكال، تشغيل آلي 220/110/48/24 فولت تيار مستمر.

التطبيقات::التطبيقات

قاطع الدائرة الكهربائية BESXV-12 المتطور BESXV-12 المعزول تحت العازل: طراز BESXV-12 المتميز الذي يتميز بتصميم عازل تحت العزل لتطبيقات مجموعة المفاتيح الكهربائية الخالية من SF6 الخالية من SF6 بجهد 12 كيلو فولت 630 أمبير، مما يوفر قدرة كسر دائرة قصيرة استثنائية تبلغ 20 كيلو أمبير/25 كيلو أمبير مع تيار تحمل ذروة 50 كيلو أمبير/63 كيلو أمبير ومدة تصنيف 3 ثوانٍ، باستخدام ضغط تعبئة هواء جاف 0.02 ميجا باسكال لعزل صديق للبيئة، ويتميز بقدرة تحمل ميكانيكية M2 وتصنيف تبديل التيار السعوي C2، مع نبضة صاعقة 85 كيلو فولت عبر مسافة العزل وتحمل تردد الطاقة 48 كيلو فولت، مصمم مع حماية الخزانة محكمة الغلق IP67 وتصنيف IP4X لهيكل الخزانة.

شبكة التوزيع الآلي جاهزة: يشتمل BESXV-12 على إمكانية التشغيل الكهربائي مع جهد إغلاق وفتح التيار المستمر 220/110/48/24 فولت لأتمتة شبكة التوزيع الحقيقية، ويتميز بتسلسل تشغيل مقنن O-0.3-CO-180-CO، وتسلسل تشغيل مقننن O-0.3-CO-CO-CO، ومقاومة 75 كيلو فولت من الصواعق (من الطور إلى الطور/الأرض)، مصمم لتطبيقات المفاتيح الكهربائية الخالية من SF6، مما يوفر حلًا موثوقًا لقطع الدائرة الكهربائية المعزولة للمحطات الفرعية والمنشآت الصناعية والمرافق وشبكات التوزيع الآلية التي تتطلب تشغيلًا صديقًا للبيئة مع قدرة كسر عالية وقدرة تحمل ميكانيكية فائقة.

المواصفات

BESXV-12 قواطع دوائر كهربائية معزولة 12 كيلو فولت 630 أمبير - مجموعة مفاتيح كهربائية خالية من SF6 بقوة 20 كيلو أمبير 25 كيلو أمبير M2 C2 IP67 محكمة الغلق

الميزات

مواصفات قاطع الدائرة الكهربائية المعزول BESXV-12 تحت العازل BESXV-12 المعلمات الفنية الوحدة
رقم الموديل BESXV-12 -
العلامة التجارية أنظمة بيبتو العازلة -
نوع المنتج قاطع الدائرة الكهربائية المعزول تحت العازل لمجموعة المفاتيح الكهربائية الخالية من SF6 -
الفولتية المقدرة 12 كيلو فولت
التيار المقنن 630 A
التردد المقدر 50 هرتز
تيار كسر الدائرة القصيرة المقدر 20 / 25 ك أ
تيار صنع الدائرة القصيرة المقدر (الذروة) 50 / 63 ك أ
تصنيف تيار الصمود في الزمن القصير 20 / 25 ك أ
تيار ذروة التحمل المقدر 50 / 63 ك أ
تصنيف مدة تحمل التيار في الوقت القصير 3 s
تصنيف جهد تحمل تردد الطاقة في الوقت القصير (من الطور إلى الطور/من الطور إلى الأرض) 42 كيلو فولت
ذروة جهد مقاومة الصواعق المقدرة (من الطور إلى الطور/من الطور إلى الأرض) 75 كيلو فولت
تصنيف جهد تحمل الطاقة والتردد في الوقت القصير (عبر مسافة العزل) 48 كيلو فولت
ذروة جهد تحمل نبضة البرق المقدرة (عبر مسافة العزل) 85 كيلو فولت
جهد تشغيل الإغلاق تيار مستمر 220 / 110 / 48 / 24 V
جهد التشغيل الافتتاحي تيار مستمر 220 / 110 / 48 / 24 V
فئة التصنيف على أساس التحمل الميكانيكي M2 -
فئة التصنيف بناءً على القدرة على تبديل التيارات السعوية C2 -
ضغط تعبئة الهواء الجاف المقدر (ضغط المقياس عند 20 درجة مئوية) 0.02 ميجا باسكال
حماية من الدخول (IP) لغلاف الخزانة IP4X -
حماية الدخول (IP) للخزانة محكمة الإغلاق IP67 -
تسلسل التشغيل المقدر O-0.3 - 0.3s-CO-180s-CO -
نوع العملية كهربائي (آلي) -
تقنية العزل عزل الهواء الجاف (خالي من SF6) -
التطبيق مجموعة المفاتيح الكهربائية الخالية من SF6 والمحطات الفرعية والشبكات الآلية -

دع العالم يعرف العالم عن بيبتو

شركة Bepto هي شركة صينية رائدة في مجال العزل الكهربائي، تركز على تطوير حلول متقدمة لأنظمة الطاقة المستقبلية. نحن ندعم سلامة النقل والتوزيع والنمو، مع شركاء على المدى الطويل بما في ذلك State Grid وABB وشنايدر وسيمنز وجنرال إلكتريك. تصل خدماتنا إلى العملاء في أكثر من 22 دولة.

التطبيق

أي شيء لم تتمكن من العثور عليه?
تحدث مع مبيعاتنا

تركز Bepto على السوق العالمية وتوفر لعملائنا المنتجات المناسبة للسوق المحلية:

أرسل لنا بريداً إلكترونياً
اتصل بنا

تفانينا الذي لا يتزعزع في تفانينا تجاه العملاء وتقديم أحدث الابتكارات، تقف Bepto كحليف ثابت لك في رحلتك المقبلة.

نموذج الاتصال 2
🔒 معلوماتك آمنة ومشفرة.
شعار بيبتو الأحمر
احصل على المزيد من الفوائد منذ إرسال نموذج المعلومات
نموذج الاتصال
🔒 معلوماتك آمنة ومشفرة.