Durch unser Engagement für unsere Kunden und die Bereitstellung von Spitzeninnovationen ist Bepto Ihr treuer Verbündeter auf dem Weg in die Zukunft.
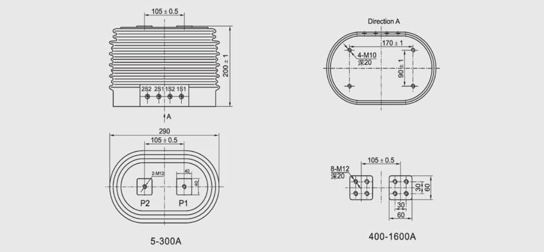
LZZJ-10Q Stromwandler 10kV Indoor CT: 5-1600A Primärstrom, 0,2S/0,2/0,5/10P10 Genauigkeitsklasse, Doppelwicklungskonfiguration, 12/42/75kV Isolationsniveau, 10-30VA Lastkapazität, 1s thermischer Strom 0,75-80kA, dynamischer Nennstrom 1,87-130kA, 5A/1A sekundär, 50-60Hz, Epoxidharzguss, GB1208 IEC60044-1.
Erweiterter Stromwandler LZZJ-10Q: Einphasiger Epoxidharz-Gießwandler für den Innenbereich gemäß den Normen GB1208 und IEC60044-1, Bemessungsisolationspegel 12/42/75kV, Bemessungsfrequenz 50Hz oder 60Hz, Bemessungssekundärstrom 5A oder 1A, Umgebungstemperatur -5°C bis +40°C, Bemessungsprimärstrombereich 5-1600A, der eine breite Stromabdeckung bietet, Doppelwicklungskonfiguration, die gleichzeitig hochpräzise Mess- und Schutzfunktionen ermöglicht, flexible Genauigkeitsklassenkombinationen einschließlich 0.2S/10P10 für niedrige bis mittlere Ströme (5-100A) und 0,2/10P10 oder 0,5/10P10 für höhere Bereiche mit einer Lastkapazität von 10-30VA, einem thermischen 1s-Strom von 0,75-80kA und einem dynamischen Nennstrom von 1,87-130kA zur Gewährleistung einer zuverlässigen Kurzschlussfestigkeit.
Zuverlässiges Doppelwicklungsdesign und breite Stromabdeckung: LZZJ-10Q verfügt über eine Doppelwicklungskonfiguration, die gleichzeitige Mess- (Klasse 0,2S/0,2/0,5) und Schutzfunktionen (Klasse 10P10) unterstützt, einen großen Primärstrombereich von 5A bis 1600A, der verschiedene Anwendungen ohne Transformatoraustausch abdeckt, eine hochpräzise 0,2S-Genauigkeitsklasse für den Bereich 5-100A, die präzise Abrechnungsanwendungen gewährleistet, eine Standard 0.5 Genauigkeitsklasse für den Bereich 300-1600A, geeignet für allgemeine Messaufgaben, geeignet für 10kV-Schaltanlagen, Stromverteilungssysteme, Umspannwerke, industrielle Stromnetze, Energiemanagementsysteme und Anwendungen, die eine zuverlässige Strommessung mit Doppelwicklungsmessung und Schutzfunktionen erfordern.
| LZZJ-10Q Stromwandler Spezifikationen | Parameter | Einheit |
|---|---|---|
| Marke | Bepto Isoliersysteme | - |
| Modellnummer | LZZJ-10Q | - |
| Kategorie | Schaltanlagen & HV CT (Hochspannungsstromwandler) | - |
| Produkttyp | 10kV Einphasen-Epoxidharz-Gießstromwandler für Innenräume mit einem Bereich von 5-1600A, Doppelwicklungskonfiguration, Genauigkeitsklasse 0,2S/0,5/10P10, 12/42/75kV-Isolierung, 10-30VA Bürde für Messung und Schutz | - |
| Kerntechnologie | Einphasiger Epoxidharzgießer für den Innenbereich + 10kV-Ausführung + Doppelwicklungskonfiguration + Entspricht den Normen GB1208 und IEC60044-1 + Bemessungsisolationspegel 12/42/75kV + Bemessungsfrequenz 50Hz oder 60Hz + Bemessungssekundärstrom 5A oder 1A + Umgebungstemperatur -5°C bis +40°C + Bemessungsprimärstrombereich 5-1600A + Breiter Strombereich + Flexible Genauigkeitsklassen (0.2S/10P10, 0,2/10P10, 0,5/10P10) + Belastbarkeit 10-30VA + 1s thermischer Strom 0,75-80kA + Dynamischer Nennstrom 1,87-130kA + Gleichzeitige hochpräzise Mess- und Schutzfunktionen + Zuverlässige Kurzschlussfestigkeit | - |
| Leistung (Spannung) | 10 kV | - |
| Nennspannung | 10 kV | - |
| Bemessungsisolationsniveau | 12/42/75 | kV |
| Nennfrequenz | 50Hz oder 60Hz | Hz |
| Sekundärer Nennstrom | 5A oder 1A | A |
| Primärer Nennstrombereich | 5-1600 | A |
| Temperatur in der Umgebung | -5°C bis +40°C | °C |
| Struktur Typ | Innenbereich Einphasiger Epoxidharz-Guss Typ | - |
| Konfiguration der Wicklung | Duale Wicklung (zwei Wicklungen) | - |
| Einbauart | Innenbereich | - |
| Phase | Einphasig | - |
| Einhaltung von Normen | GB1208 und IEC60044-1 | - |
| FOB Hafen | Ningbo/Schanghai | - |
| Zahlungskonditionen | Western Union, T/T, Paypal | - |
| Epoxidharz-Guss | Ja (Einphasen-Epoxidharz-Gießverfahren für Innenräume) | - |
| 10kV Ausführung | Ja (10kV Nennspannung) | - |
| Innen-CT | Ja (Innenraum-Stromwandler) | - |
| Konfiguration mit zwei Wicklungen | Ja (zwei Wicklungen für Messung und Schutz) | - |
| Breite Stromabdeckung | Ja (5-1600A Primärstrombereich) | - |
| 50Hz oder 60Hz | Ja (Nennfrequenz 50Hz oder 60Hz) | - |
| 10kV Nennspannung | Ja (Nennspannung 10kV) | - |
| GB1208-konform | Ja (in Übereinstimmung mit GB1208 Standard) | - |
| IEC60044-1-konform | Ja (in Übereinstimmung mit der Norm IEC60044-1) | - |
| 12/42/75kV Isolierung | Ja (Bemessungsisolationspegel 12/42/75kV) | - |
| 5A oder 1A Sekundärstufe | Ja (Nenn-Sekundärstrom 5A oder 1A) | - |
| -5°C bis +40°C Umgebungstemperatur | Ja (Umgebungstemperatur -5°C bis +40°C) | - |
| 5-1600A Primärbereich | Ja (primärer Nennstrombereich 5-1600A) | - |
| 0,2S Genauigkeitsklasse | Ja (0,2S Messgenauigkeitsklasse verfügbar für 5-100A) | - |
| 0,2 Genauigkeitsklasse | Ja (0,2 Messgenauigkeitsklasse verfügbar für 150-200A) | - |
| 0,5 Genauigkeitsklasse | Ja (0,5 Messgenauigkeitsklasse verfügbar für 300-1600A) | - |
| 10P10 Schutzklasse | Ja (10P10 Schutzgenauigkeitsklasse verfügbar) | - |
| 10-30VA Belastbarkeit | Ja (Belastbarkeit 10-30VA) | - |
| Primärer Nennstrom (A) | Kombination von Genauigkeitsklassen | 0,2S (0,2) VA | 0,5S (0,5) VA | 10P10 VA | 1s thermischer Strom (kA) | Dynamischer Nennstrom (kA) |
|---|---|---|---|---|---|---|
| 5 | 0,2S / 10P10 | 10 | 10 | 15 | 0.75 | 1.87 |
| 10 | 0,2S / 10P10 | 10 | 10 | 15 | 1.5 | 3.75 |
| 15 | 0,2S / 10P10 | 10 | 10 | 15 | 2.25 | 5.6 |
| 20 | 0,2S / 10P10 | 10 | 10 | 15 | 3 | 7.5 |
| 25 | 0,2S / 10P10 | 10 | 10 | 15 | 3.75 | 9.4 |
| 30 | 0,2S / 10P10 | 10 | 10 | 15 | 4.5 | 11.3 |
| 40 | 0,2S / 10P10 | 10 | 10 | 15 | 6 | 15 |
| 50 | 0,2S / 10P10 | 10 | 10 | 15 | 7.5 | 18.8 |
| 75 | 0,2S / 10P10 | 10 | 10 | 15 | 11.3 | 28.1 |
| 100 | 0,2S / 10P10 | 10 | 10 | 15 | 15 | 37.5 |
| 150 | 0.2 / 10P10 | 10 | 10 | 15 | 22.5 | 56.3 |
| 200 | 0.2 / 10P10 | 10 | 10 | 15 | 30 | 75 |
| 300 | 0.5 / 10P10 | 10 | 10 | 15 | 45 | 80 |
| 400 | 0.5 / 10P10 | 15 | 15 | 20 | 63 | 100 |
| 500 | 0.5 / 10P10 | 15 | 15 | 20 | 63 | 100 |
| 600 | 0.5 / 10P10 | 15 | 15 | 20 | 63 | 100 |
| 800 | 0.5 / 10P10 | 15 | 15 | 20 | 63 | 100 |
| 1000 | 0.5 / 10P10 | 15 | 20 | 30 | 80 | 130 |
| 1200 | 0.5 / 10P10 | 15 | 20 | 30 | 80 | 130 |
| 1500 | 0.5 / 10P10 | 15 | 20 | 30 | 80 | 130 |
| 1600 | 0.5 / 10P10 | 15 | 20 | 30 | 80 | 130 |
| Primärstrombereich | Thermischer Strom (kA) | Dynamischer Strom (kA) | Genauigkeitsklassen | Anmeldung |
|---|---|---|---|---|
| 5-100A | 0.75-15 | 1.87-37.5 | 0,2S/10P10 | Niedriger bis mittlerer Strom mit hochpräziser Dosierung (0,2S) und Schutz |
| 150-200A | 22.5-30 | 56.3-75 | 0.2/10P10 | Mittlere Stromstärke mit hochpräziser Dosierung (0,2) und Schutz |
| 300A | 45 | 80 | 0.5/10P10 | Mittel-Hochstrom mit Standardmessung und Schutz |
| 400-800A | 63 | 100 | 0.5/10P10 | Hochstrom mit Standardmessung und -schutz |
| 1000-1600A | 80 | 130 | 0.5/10P10 | Sehr hoher Strom mit Standardmessung und Schutz |
| Konfiguration der Wicklung | Genauigkeitsklassen Kombination | Wicklung Funktion | Anwendungsszenario |
| 0,2S/10P10 | Hochpräzise Dosierung + Schutz | Präzise Abrechnung und Relaisschutz | 5-100A |
| 0.2/10P10 | Hochpräzise Dosierung + Schutz | Genaue Zählung und Relaisschutz | 150-200A |
| 0.5/10P10 | Standard-Messung + Schutz | Allgemeine Zählung und Relaisschutz | 300-1600A |
| Genauigkeitsklasse | Aktueller Bereich | Typische Anwendung | Belastbarkeit |
|---|---|---|---|
| 0.2S | 5-100A | Hochpräzise Abrechnung, Ertragsmessung, präzise Energiemessung | 10VA |
| 0.2 | 150-200A | Hochpräzise Zählung, genaue Abrechnungsanwendungen | 10VA |
| 0.5 | 300-1600A | Standard-Messung, allgemeine Abrechnung, industrielle Stromüberwachung | 10-20VA |
| 10P10 | 5-1600A | Relaisschutz, Überstromschutz, Anlagenschutz | 15-30VA |
| Belastbarkeit | Genauigkeitsklasse | Aktueller Bereich | Anmeldung |
|---|---|---|---|
| 10VA | 0,2S, 0,2, 0,5, 10P10 | 5-300A | Standardanwendungen für Messung und Schutz |
| 15VA | 0.5, 10P10 | 400-1600A | Hochstrommess- und Schutzanwendungen |
| 20VA | 0.5, 10P10 | 1000-1600A | Anwendungen zur Messung von sehr hohen Strömen |
| 30VA | 10P10 | 1000-1600A | Anwendungen mit sehr hohem Stromschutz |
| Aktueller Bereich | 1s Thermischer Strom | Dynamischer Nennstrom | Thermisches/Dynamisches Verhältnis | Anmeldung |
|---|---|---|---|---|
| 5-100A | 0,75-15kA | 1,87-37,5kA | ~2.5:1 | Niedriger bis mittlerer Strom mit Standard-Thermoschutz |
| 150-200A | 22,5-30kA | 56,3-75kA | ~2.5:1 | Mittelstrom mit Standard-Thermoschutz |
| 300A | 45kA | 80kA | ~1.78:1 | Mittelhoher Strom mit verbessertem Wärmeschutz |
| 400-800A | 63kA | 100kA | ~1.59:1 | Hochstrom mit verbessertem Wärmeschutz |
| 1000-1600A | 80kA | 130kA | ~1.63:1 | Sehr hoher Strom bei maximalem thermischen Schutz |
Bepto ist ein führendes chinesisches Unternehmen im Bereich der elektrischen Isolierung, das sich auf die Entwicklung fortschrittlicher Lösungen für zukünftige Energiesysteme konzentriert. Wir unterstützen die Sicherheit und das Wachstum von Übertragungs- und Verteilungsnetzen und arbeiten mit langjährigen Partnern wie State Grid, ABB, Schneider, Siemens und GE zusammen. Unsere Dienstleistungen erreichen Kunden in über 22 Ländern.
Bepto konzentriert sich auf den globalen Markt und bietet seinen Kunden Produkte an, die für den lokalen Markt geeignet sind:
Durch unser Engagement für unsere Kunden und die Bereitstellung von Spitzeninnovationen ist Bepto Ihr treuer Verbündeter auf dem Weg in die Zukunft.