Especializada en la fabricación de productos aislantes

Pasamuros 12KV 100×100 - TG3-12KV/128 Aislamiento compuesto 630-1250A

Descripción:

Pasamuros TG3-12KV/128 12KV: diseño compacto de 100×100 mm, corriente de 630-1250 A, aislamiento compuesto de epoxi-silicona, sellado IP67, instalación de montaje rápido, eficacia de absorción de sobretensiones.

Aplicaciones:

  • Sistemas de aparamenta de media tensión: Armarios de distribución de interior, unidades principales de anillo, subestaciones transformadoras que requieren un espacio reducido de 100×100 mm con adaptabilidad de corriente de 630-1250 A, aislamiento compuesto de epoxi-silicona que proporciona rigidez y flexibilidad para evitar grietas y prolongar la vida útil operativa en entornos industriales exigentes.
  • Distribución industrial de energía: Instalaciones de fabricación, plantas de procesamiento, instalaciones de la industria pesada que exigen un diseño de sellado IP67 sin juntas que bloquee la entrada de humedad y polvo, gestión térmica optimizada con una capa exterior de silicona que disipa el calor de forma eficaz para preservar la integridad del aislamiento en funcionamiento continuo.
  • Instalaciones eléctricas exteriores: Subestaciones eléctricas, sistemas de energía renovable, redes de transmisión que requieren resistencia a los rayos UV y al envejecimiento con revestimiento de silicona que protege contra la exposición a los rayos ultravioleta y el envejecimiento ambiental, diseño de montaje rápido con espaciado de orificios estandarizado que permite una instalación rápida y un reequipamiento sencillo en paneles existentes.
  • Protección de infraestructuras críticas: Centros de datos, hospitales, aeropuertos que necesitan una absorción eficaz de las sobretensiones diseñada para absorber las sobretensiones transitorias y proteger los equipos aguas abajo, sinergia de aislamiento compuesto que combina materiales para ofrecer la máxima fiabilidad en aplicaciones de distribución de energía de misión crítica.

Especificaciones

Pasamuros 12KV 100×100 - TG3-12KV128 Aislamiento compuesto 630-1250A

 

 

Características

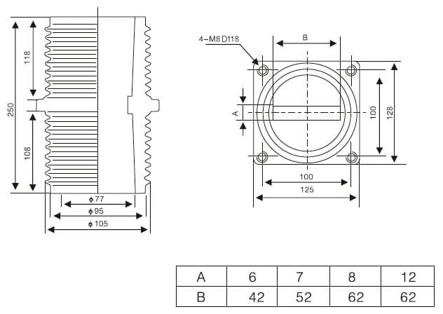
Tipo TG3-12KV/128(100×100)
Tensión nominal 12kV
Corriente nominal 630A ~ 1250A
Potencia Frecuencia Tensión soportada 48kV/1min
Tensión soportada a impulsos de rayo 75 kV
Material Aislamiento compuesto de resina epoxi + caucho de silicona
Temperatura de aplicación -40℃ ~ +70℃
Grado de protección IP67 (resistente al polvo y al agua)
Certificación GB/T 4109, IEC 60137
Dimensiones de instalación 100×100 mm (paso de agujeros)

Que el mundo conozca Bepto

Bepto es una empresa china líder en aislamiento eléctrico, centrada en el desarrollo de soluciones avanzadas para los futuros sistemas de energía. Apoyamos la seguridad y el crecimiento de la transmisión y la distribución, con socios a largo plazo como State Grid, ABB, Schneider, Siemens y GE. Nuestros servicios llegan a clientes de más de 22 países.

Aplicación

CUALQUIER COSA QUE NO PUDIERAS ENCONTRAR?
Hable con nuestros comerciales

Bepto se centra en el mercado mundial y ofrece a sus clientes productos adecuados para el mercado local:

ENVÍENOS UN CORREO ELECTRÓNICO
Póngase en contacto con nosotros

Inquebrantable en nuestra dedicación a los clientes y ofreciendo innovaciones de vanguardia, Bepto se erige en su firme aliado en el camino que nos aguarda.

Formulario Contacto 2
🔒 Su información está segura y encriptada.
Bepto Logo rojo
Obtenga más beneficios desde Enviar el formulario de información
Formulario de contacto
🔒 Tu información está segura y encriptada.