Especializada en la fabricación de productos aislantes

Pasamuros 12KV 140×200 - TG3-12KV Alta Corriente 2500-3150A IP68 Composite

Descripción:

Pasamuros TG3-12KV/140×200 12KV: montaje normalizado de 140×200mm, capacidad de alta corriente de 2500-3150A, sinergia de apantallamiento compuesto, gestión térmica optimizada, protección contra inmersión IP68.

Aplicaciones:

  • Nuevos sistemas energéticos: Parques eólicos, subestaciones solares, instalaciones de almacenamiento de energía que requieren cargas de alta capacidad de corriente 2500-3150A con sinergia de blindaje compuesto utilizando capa de cobre integrada y caucho de silicona optimizando la distribución del campo eléctrico y suprimiendo la EMI en aplicaciones de energía renovable que exigen compatibilidad electromagnética.
  • Distribución industrial de energía: Plantas de fabricación, acerías, instalaciones químicas que exigen una gestión térmica optimizada con cubierta exterior de silicona y núcleo de cobre que mejora la disipación del calor preservando la integridad del aislamiento durante el funcionamiento continuo a alta corriente en entornos industriales exigentes.
  • Aplicaciones en entornos difíciles: Instalaciones marinas, operaciones mineras, subestaciones exteriores que necesitan protección de inmersión IP68 con carcasa totalmente sellada que permite la inmersión continua y la resistencia a la entrada de polvo, construcción compuesta duradera que resiste climas duros y tensiones mecánicas para una mayor vida útil.
  • Proyectos de integración de retroadaptaciones: Actualizaciones de aparamenta existente, modernización de cuadros, ampliaciones de sistemas que requieren una huella de montaje estandarizada con unas dimensiones de instalación de 140×200 mm que permiten una adaptación rápida y una integración perfecta de los cuadros, al tiempo que se mantienen unos elevados estándares de rendimiento eléctrico.

Especificaciones

Pasamuros 12KV 140×200 - TG3-12KV Alta Corriente 2500-3150A IP68 Composite

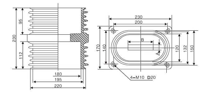
Número de barras conductoras transitables Barra colectora simple Barra colectora simple/Barra colectora doble Barra colectora simple/Barra colectora doble Barra colectora simple/Barra colectora doble Barra colectora simple/Barra colectora doble Barra colectora simple/Barra colectora doble
A 18 18 18 18 50 56
B 88 108 128 132 130 136

Características

Tipo TG3-12KV/140×200
Tensión nominal 12kV
Corriente nominal 2500A ~ 3150A
Potencia Frecuencia Tensión soportada 50kV/1min
Tensión soportada a impulsos de rayo 110kV
Material Resina epoxi + capa de blindaje de cobre + aislamiento compuesto de caucho de silicona
Temperatura de aplicación -40℃ ~ +90℃
Grado de protección IP68
Dimensiones de instalación 140×200 mm (diámetro exterior × longitud)

Que el mundo conozca Bepto

Bepto es una empresa china líder en aislamiento eléctrico, centrada en el desarrollo de soluciones avanzadas para los futuros sistemas de energía. Apoyamos la seguridad y el crecimiento de la transmisión y la distribución, con socios a largo plazo como State Grid, ABB, Schneider, Siemens y GE. Nuestros servicios llegan a clientes de más de 22 países.

Aplicación

CUALQUIER COSA QUE NO PUDIERAS ENCONTRAR?
Hable con nuestros comerciales

Bepto se centra en el mercado mundial y ofrece a sus clientes productos adecuados para el mercado local:

ENVÍENOS UN CORREO ELECTRÓNICO
Póngase en contacto con nosotros

Inquebrantable en nuestra dedicación a los clientes y ofreciendo innovaciones de vanguardia, Bepto se erige en su firme aliado en el camino que nos aguarda.

Formulario Contacto 2
🔒 Su información está segura y encriptada.
Bepto Logo rojo
Obtenga más beneficios desde Enviar el formulario de información
Formulario de contacto
🔒 Tu información está segura y encriptada.