Palo incorporato a corrente ultraelevata RZP5.049 - 24kV 2500A 31,5kA 3100N Industriale

Descrizione: il prodotto

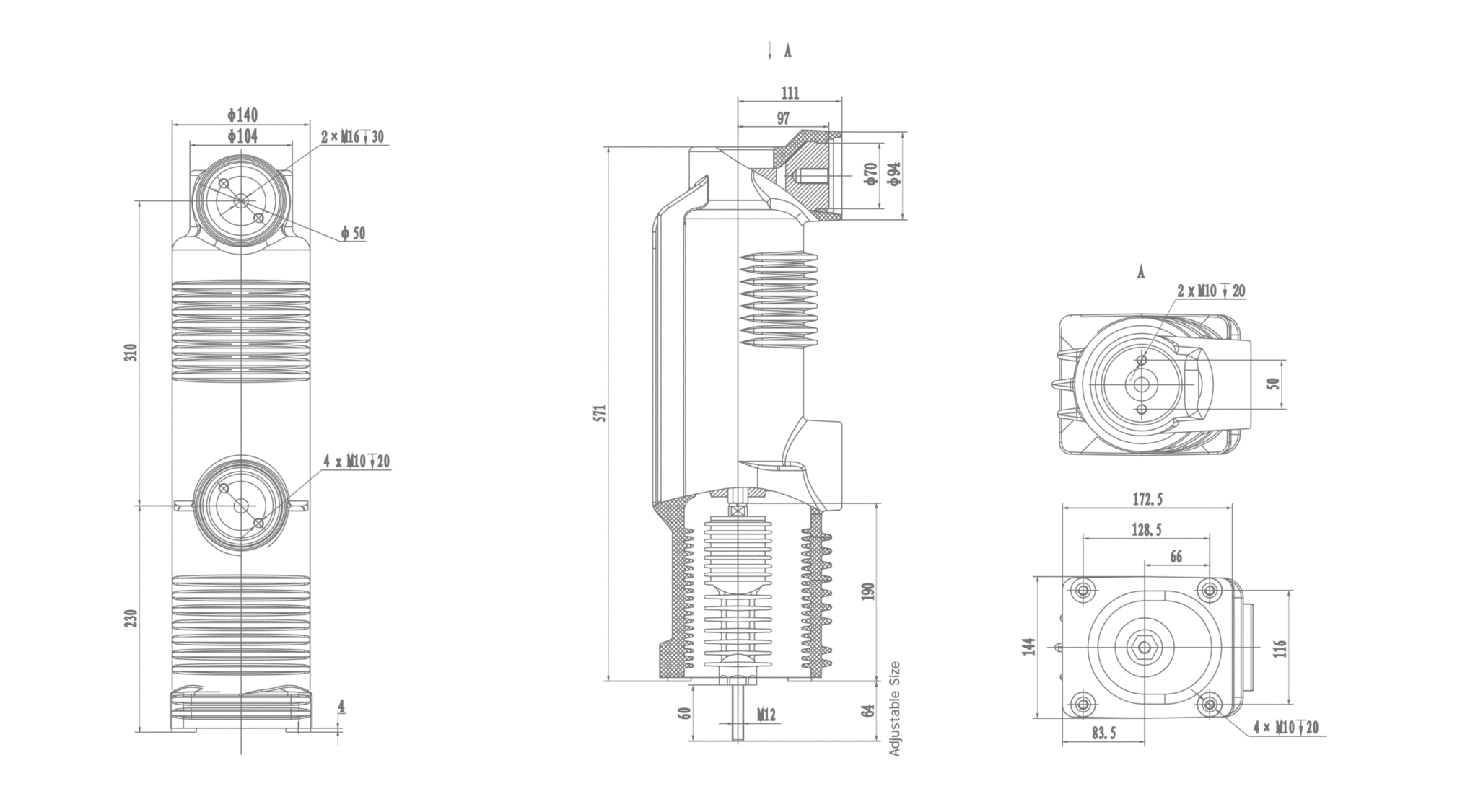
RZP5.049 Palo incorporato ad altissima corrente: 24kV 2500A ad altissima corrente, 31,5kA di rottura, 3100N di forza operativa, resistenza ≤18μΩ, per uso industriale pesante.

Applicazioni: applicazioni

  • Applicazioni a corrente estrema: Complessi di fusione dell'alluminio su larga scala, mega forni elettrici ad arco per l'acciaio, centri dati su scala industriale che richiedono una capacità di corrente massima di 2500A con controllo di precisione.
  • Applicazioni industriali pesanti: Grandi raffinerie petrolchimiche, grandi operazioni minerarie, megacomplessi industriali che richiedono una distribuzione di corrente ultraelevata con una resistenza ≤18μΩ superiore.
  • Applicazioni di potenza critiche: Impianti di generazione di energia, sottostazioni di rete, megaprogetti di energia rinnovabile che richiedono una gestione estrema della corrente con una forza operativa di 3100N.
  • Applicazioni di controllo di precisione: Applicazioni che richiedono velocità di funzionamento regolabili (1,1-1,5 m/s in apertura, 0,4-0,8 m/s in chiusura) per ottimizzare le prestazioni in condizioni di carico estremo.

Specifiche tecniche

RZP5.049 Palo incorporato 24 kV, 2500A

Disegno n. Specifiche Abbinare il tirante isolato Abbinare la connessione flessibile Abbinare la manica a contatto con il braccio
RZP5.049a EP24/2500-31.5 RAP4.028c. 05 RAP4.049a. 02 RAP4.110b. 11

Caratteristiche

Dati tecnici principali
Dati Valore Unità
Tensione nominale 24 kV
Corrente nominale 2500 A
Frequenza nominale 50 Hz
Corrente nominale di interruzione del cortocircuito 31.5 kA
Operazioni di interruzione della corrente di cortocircuito 30 tempo
Corrente nominale di cortocircuito 80 kA
Corrente di picco nominale 80 kA
Corrente nominale di breve durata (4s)) 31.5 kA
Corrente nominale di rottura di un singolo banco di condensatori 630※ A
Corrente nominale di interruzione del condensatore back-to-back 400※ A
Tensione di tenuta a breve termine (1min) a frequenza di alimentazione 65 kV
Tensione di resistenza agli impulsi di illuminazione (picco) 125 kV
Resistenza del circuito alla forza di contatto nominale ≤18 μΩ
Vita meccanica 10,000 tempo
Forza di chiusura del contatto dovuta al soffietto e all'atmosfera 250±30 N
Controforza alla corsa nominale del contatto 360±30 N
Erosione del limite di contatto 3 mm
Durata di conservazione 20 anno
Scarico parziale ≤1 pC
Sequenza operativa nominale 0-0,3s-co-180s-co
Dati meccanici di un circuito dotato di interruttori
Dati Valore Unità
Corsa nominale dei contatti 12±1 mm
Corsa di connessione dei contatti 3±1 mm
Velocità media di apertura 1.1~1.5 m/s
Velocità media di chiusura 0.4~0.8 m/s
Pressione nominale di esercizio del contatto 3100±200 N
Durata del rimbalzo della chiusura del contatto ≤2 ms
Fuori dalla simultaneità della chiusura e dell'apertura del contatto ≤1 ms
Eccedenza di corsa massima ≤2 mm

“※”Caratteristiche nominali da fornire al momento della richiesta".

Manuale

RZP5.049-24-kV-Embedded-Pole-2500A.pdf
File PDF 1,03 MB

Facciamo conoscere al mondo la Bepto

Bepto è un'azienda cinese leader nel settore dell'isolamento elettrico, focalizzata sullo sviluppo di soluzioni avanzate per i sistemi energetici del futuro. Supportiamo la sicurezza e la crescita della trasmissione e della distribuzione, con partner di lunga data tra cui State Grid, ABB, Schneider, Siemens e GE. I nostri servizi raggiungono clienti in oltre 22 Paesi.

Applicazione

TUTTO CIÒ CHE NON SEI RIUSCITO A TROVARE.
Parlate con le nostre vendite

Bepto si concentra sul mercato globale e fornisce ai suoi clienti prodotti adatti al mercato locale:

INVIATECI UN'E-MAIL
Contatto

Con una dedizione incrollabile nei confronti dei clienti e con innovazioni all'avanguardia, Bepto è il vostro alleato costante nel viaggio che vi attende.

Modulo Contatto 2
🔒 Le vostre informazioni sono sicure e criptate.
Logo Bepto rosso
Ottenere più vantaggi da quando si invia il modulo informativo
Modulo di contatto
🔒 Le vostre informazioni sono sicure e criptate.