Poste embutido de 24kV para serviço pesado - RZP5.050 31,5kA de ruptura aprimorada 80kA de pico

Descrição:

Polo incorporado de ruptura aprimorada RZP5.050a: serviço pesado de 24kV, corrente de ruptura aprimorada de 31,5kA, resistência de pico de 80kA, força de contato de 120N, confiabilidade industrial.

Aplicações:

  • Fabricação de açoProteção contra falhas: interrupção aprimorada de 24kV para fornos elétricos a arco, laminadores que exigem proteção contra falhas de 31,5kA com capacidade de corrente de pico de 80kA
  • Plantas petroquímicas: Poste embutido para serviço pesado para refinarias, processamento químico que exige 30 operações confiáveis de interrupção de curto-circuito
  • Operações de mineração: Distribuição aprimorada de 1250A para grandes equipamentos de mineração, sistemas de transportadores que precisam de confiabilidade robusta de força de contato de 120N
  • Geração de energiaPólo embutido de 24kV para usinas térmicas, instalações hidrelétricas que exigem compensação de falta superior em ambientes industriais adversos

Especificações

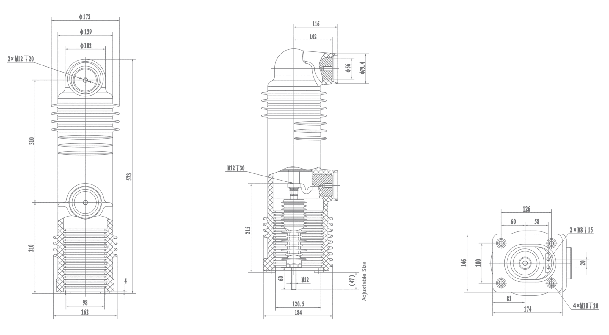
RZP5.050 Poste embutido de 24 kV, 1250A

Desenho nº. Especificação Combine a haste de tração isolada Corresponder ao quadro de radiação
RZP5.050a EP24/1250-31.5 RAP4.028c. 05 RAP4.047a.01

Recursos

Principais dados técnicos
Dados Valor Unidade
Tensão nominal 24 kV
Corrente nominal 1250 A
Frequência nominal 50 Hz
Corrente nominal de interrupção de curto-circuito 31.5 kA
Operações de interrupção da corrente de interrupção de curto-circuito 30 tempo
Corrente nominal de curto-circuito 80 kA
Corrente nominal de pico suportável 80 kA
Corrente nominal de resistência de curta duração (4s) 31.5 kA
Corrente nominal de ruptura de banco de capacitores individuais 630※ A
Corrente nominal de ruptura do capacitor back-to-back 400※ A
Tensão de resistência à frequência de potência de curta duração (1 minuto) 65 kV
Tensão suportável de impulso de iluminação (pico) 125 kV
Resistência do circuito com força de contato nominal ≤25 μΩ
Vida mecânica 10,000 tempo
Força de fechamento do contato devido ao fole e à atmosfera 120±30 N
Contraforte no curso nominal do contato 200±50 N
Erosão do limite de contato 3 mm
Prazo de validade 20 ano
Descarga parcial ≤1 pC
Sequência nominal de operação 0-0.3s-co-180s-co
Dados mecânicos do circuito equipado com interruptores
Dados Valor Unidade
Curso nominal do contato 12±1 mm
Curso de conexão do contato 3±1 mm
Velocidade média de abertura 1.1~1.7 m/s
Velocidade média de fechamento 0.8~1.2 m/s
Pressão nominal de operação do contato 2400±200 N
Duração do ressalto do fechamento do contato ≤2 ms
Fora da simultaneidade de fechamento e abertura do contato ≤1 ms
Sobrecurso máximo ≤2 mm

“※”Características nominais a serem fornecidas mediante solicitação

Manual

RZP5.050-24-kV-Embedded-Pole-1250A.pdf
Arquivo PDF 1.005,30 KB

Informe o mundo sobre o Bepto

A Bepto é uma empresa chinesa líder em isolamento elétrico, com foco no desenvolvimento de soluções avançadas para os futuros sistemas de energia. Apoiamos a segurança e o crescimento da transmissão e distribuição, com parceiros de longo prazo, incluindo State Grid, ABB, Schneider, Siemens e GE. Nossos serviços alcançam clientes em mais de 22 países.

Aplicativo

QUALQUER COISA QUE VOCÊ NÃO CONSEGUIU ENCONTRAR?
Fale com nosso departamento de vendas

A Bepto se concentra no mercado global e fornece aos nossos clientes produtos adequados ao mercado local:

ENVIE-NOS UM E-MAIL
Entre em contato conosco

Inabalável em nossa dedicação aos clientes e no fornecimento de inovações de ponta, a Bepto é sua aliada inabalável na jornada que está por vir.

Formulário de contato 2
🔒 Suas informações são seguras e criptografadas.
Logotipo do Bepto vermelho
Obtenha mais benefícios desde o envio do formulário de informações
Formulário de contato
Suas informações estão seguras e criptografadas.