GW4 În aer liber AC HV Disconector 72.5-126kV 50Hz - Terminal de conectare moale tip I / II Mecanism de comutare la împământare Interblocare Anti-poluare Poluare grea

Descriere:

GW4 Disconector HV de curent alternativ în aer liber 72,5-126kV 50Hz: Terminal de conectare moale, comutator de împământare de tip I / II, dispozitiv de blocare a mecanismului, tip anti-poluare, zonă cu poluare ridicată, cuțit de împământare pliabil, reducerea spațiului, 1000-3000m altitudine, -35 ° C la +40 ° C, 34m/s vânt, 10mm gheață, gradul de cutremur 8.

Aplicații:

Seria de deconectori de înaltă tensiune Advanced GW4: Întrerupător de izolare de înaltă tensiune AC în aer liber de 72.5kV/126kV adecvat pentru sistemele de alimentare cu frecvență de 50Hz utilizate ca circuit de comutare atunci când tensiunea este fără sarcină, întrerupător de izolare antipoluare care îndeplinește cerințele utilizatorilor din zonele puternic poluate rezolvând în mod eficient problema poluării în timpul funcționării, întrerupător de izolare și întrerupător de împământare atașat, fiecare echipat cu mecanisme de operare independente cu dispozitiv de interblocare a mecanismului care asigură secvența de operare corectă, întrerupător de împământare de tip I și de tip II cu stabilitate termică dinamică de tip II la fel ca întrerupătorul de izolare.

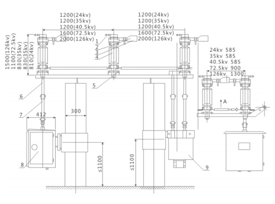
Conexiune moale și caracteristici avansate de împământare: SERIA GW4-72.Seria 5/126 încorporează un terminal de conexiune electrică cu tranziție prin conexiune moale care asigură un contact conductiv fiabil, cuțitul de împământare adoptă un aranjament de închidere externă care asigură o distanță de izolare fiabilă între cuțitul de împământare și celălalt capăt sub tensiune în timpul procesului de închidere, modelul GW4-126 echipat cu cuțit de podea pliabil care reduce spațiul ocupat, disponibil în specificații de tip fără împământare/cu împământare simplă/cu împământare dublă și obișnuit/anti-fouling, funcționează la altitudinea de 1000-3000m, temperatura mediului ambiant -35°C până la +40°C (-40°C în zonele alpine), viteza vântului ≤34m/s, intensitatea cutremurului ≤8 grade, grosimea stratului de gheață ≤10mm, oferind o soluție fiabilă de deconectare CA în exterior pentru 72.5-126kV cu capacitate de poluare ridicată.

Specificații

GW4 În aer liber AC HV Disconector 72.5-126kV 50Hz - Terminal de conectare moale Tip III Mecanism de comutare la pământ Interblocare Anti-poluare Poluare grea

Caracteristici

GW4-72.5/126 Specificații pentru disjunctorul HV AC pentru exterior Parametru Unitate
Marca Sisteme de izolare Bepto -
Număr model GW4-72.5 / GW4-126 -
Categorie Comutatoare și deconectori de înaltă tensiune -
Tip produs Disconector HV AC în aer liber (72.5-126kV 50Hz) cu terminal de conectare moale, comutator de împământare tip I / II, mecanism de blocare și tip antipoluare pentru sistemul de alimentare din zona de poluare grea -
Tehnologie de bază Circuit de comutare fără sarcină a sistemului de alimentare de 50Hz + Stare fără sarcină a tensiunii + Întrerupător de izolare antipoluare pentru zone puternic poluate + Soluție la problema de poluare Flashover + Mecanisme de operare independente pentru întrerupătorul de izolare și întrerupătorul de împământare + Dispozitiv de interblocare a mecanismului + Asigurarea secvenței de operare corectă + Întrerupător de împământare de tip I și tip II + Stabilitate termică dinamică de tip II la fel ca întrerupătorul de izolare + Tranziție terminală de conectare moale + Contact conductiv fiabil + Cuțit de împământare cu aranjament de închidere externă + Distanță de izolare fiabilă + Cuțit de podea pliabil (GW4-126) + Reducerea spațiului + Specificații fără împământare/cu împământare simplă/cu împământare dublă + Tip ordinar/antiinflamabil -
Opțiuni de tensiune nominală 72.5kV / 126kV kV
Frecvență nominală 50 Hz
Tip de instalare În aer liber -
Tip curent AC (curent alternativ) -
50Hz Sistem de alimentare Da (adecvat pentru sistemele de alimentare cu frecvență de 50Hz) -
Circuit de comutare fără sarcină Da (utilizat ca circuit de comutare când tensiunea este fără sarcină) -
Comutator de izolare antipoluare Da (design cu comutator de izolare antipoluare) -
Zone puternic poluate Da (poate îndeplini cerințele utilizatorilor din zonele puternic poluate) -
Poluare Flashover Problemă Soluție Da (poate rezolva în mod eficient problema poluării în timpul funcționării) -
Mecanisme de funcționare independente Da (întrerupătorul de izolare și întrerupătorul de împământare atașat sunt echipate fiecare cu mecanisme de operare independente) -
Mecanism Dispozitiv de interblocare Da (echipată cu dispozitiv de blocare a mecanismului) -
Secvența de operare corectă Da (pentru a asigura o secvență de funcționare corectă între întrerupătorul de izolare și întrerupătorul de împământare) -
Comutator de împământare de tip I Da (comutator de împământare de tip I disponibil) -
Comutator de împământare de tip II Da (comutator de împământare de tip II disponibil) -
Stabilitate termică dinamică de tip II Da (comutator de împământare de tip II Stabilitate termică dinamică la fel ca comutatorul de izolare) -
Terminal de conectare moale Da (Terminalul de conectare electrică a trecut prin conectare moale) -
Contact conductiv fiabil Da (contactul conductiv este fiabil) -
Dispozitiv de închidere externă Cuțit de masă Da (cuțitul de sol adoptă un sistem de închidere externă) -
Izolație fiabilă Distanță Da (Asigurați o distanță de izolare fiabilă între cuțitul de împământare și cealaltă extremitate activă în timpul procesului de închidere) -
Cuțit de podea pliabil (GW4-126) Da (modelul GW4-126 echipat cu cuțit de podea pliabil) -
Reducerea spațiului Da (reduce spațiul ocupat de cuțitul de podea) -
Tip de specificație Opțiuni
Tensiune nominală GW4-72.5 (72.5kV) / GW4-126 (126kV)
Configurarea comutatorului de împământare Fără împământare / Cu împământare simplă / Cu împământare dublă
Domeniu de utilizare Tip obișnuit / Tip anti-salubritate
Nu. Caracteristici ale comutatoarelor de izolare din seria GW4-72.5/126
1 Terminalul de conectare electrică este trecut printr-o conexiune moale, iar contactul conductiv este fiabil
2 Cuțitul de sol adoptă un aranjament de închidere externă pentru a asigura o distanță de izolare fiabilă între cuțitul de sol și celălalt capăt viu în timpul procesului de închidere
3 Modelul GW4-126 este echipat cu un cuțit de podea pliabil, care reduce spațiul ocupat de cuțitul de podea
Utilizarea condițiilor de mediu Parametru
Altitudine 1000-3000m Zonă
Temperatura ambientală Limita superioară: +40°C, limita inferioară: -35°C (nu mai mică de -40°C în zonele alpine)
Viteza vântului ≤34m/s
Intensitatea cutremurului ≤8 grade
Grosimea stratului de gheață ≤10mm
Produse rezistente la poluare Potrivit pentru zonele cu poluare puternică
Nu este potrivit pentru Locuri cu substanțe inflamabile, pericole de explozie, coroziune chimică și vibrații puternice

Lumea să știe despre Bepto

Bepto este o companie chineză lider în domeniul izolației electrice, axată pe dezvoltarea de soluții avansate pentru viitoarele sisteme energetice. Susținem siguranța și creșterea transportului și distribuției, cu parteneri pe termen lung, inclusiv State Grid, ABB, Schneider, Siemens și GE. Serviciile noastre ajung la clienți din peste 22 de țări.

Aplicație

CEVA CE NU AȚI PUTUT GĂSI?
Discutați cu departamentul nostru de vânzări

Bepto se concentrează pe piața globală și oferă clienților noștri produse adecvate pentru piața locală:

TRIMITEȚI-NE UN E-MAIL
Contactați-ne

Neîndoielnic în dedicarea noastră față de clienți și în furnizarea de inovații de ultimă oră, Bepto este aliatul dvs. ferm în călătoria viitoare.

Formular de contact 2
🔒 Informațiile dvs. sunt securizate și criptate.
Logo Bepto roșu
Obțineți mai multe beneficii din moment ce trimiteți formularul de informații
Formular de contact
🔒 Informațiile dvs. sunt securizate și criptate.