12KV настенная втулка 110×180×230 - TG3-12KV композитный экран 2500-3150A

Описание:

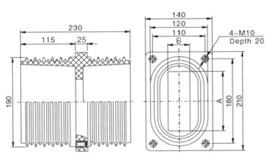
TG3-12KV/110×180×230 12KV Wall Bush: 110×180×230 мм, модульный компактный, 2500-3150A сверхвысокий ток, композитная экранирующая синергия, эпоксидная матрица без пустот, степень погружения IP68.

Применение:

  • Тяжелые промышленные распределительные устройства: Сталелитейные заводы, алюминиевые плавильные печи, нефтехимические заводы, требующие сверхвысоких токов 2500-3150A с композитным экранирующим синергизмом с использованием медного сердечника и силиконовых слоев, балансирующим распределение электрического поля и повышающим защиту от электромагнитных помех в электромагнитно сложных промышленных средах.
  • Центры распределения критической мощности: Центры обработки данных, больницы, аэропорты, требующие эпоксидной матрицы без пустот, благодаря APG-формованию, обеспечивающей однородную смолу без пустот, что гарантирует стабильные диэлектрические характеристики, многослойную защиту от перенапряжений, поглощающую переходные перенапряжения для обеспечения надежной работы при высоких токах.
  • Применение в экстремальных условиях: Горные работы, морские платформы, морские сооружения, требующие степени погружения IP68 с полностью герметичным корпусом, надежно работающим в условиях погружения в воду и пыль, гидрофобная силиконовая оболочка, отталкивающая воду и загрязняющие вещества, подавляющая токи утечки и вспышки
  • Компактные распределительные устройства: Кольцевые главные блоки, трансформаторные подстанции, распределительные панели, требующие модульной компактной конструкции с площадью 110×180×230 мм, упрощающей компоновку панелей и экономящей ценное пространство распределительного устройства, сохраняя при этом сухую безмасляную структуру, исключающую опасность утечки.

Технические характеристики

12KV настенная втулка 110×180×230 - TG3-12KV композитный экран 2500-3150A

Размер отверстия в шине(AxB) 57×11 63×11 66×14 68×18 80×40 85×15 88×18 105×13 108×18
110×40 127×18 128×18 132×18 134×18 136×43 108×18 (двойной) 128×18 (двойной) 132×18 (двойной)

Характеристики

Тип TG3-12KV/110×180×230
Номинальное напряжение 12 кВ
Номинальный ток 2500A ~ 3150A
Мощность Частота Выдерживаемое напряжение 45 кВ/1 мин
Выдерживаемое напряжение импульса молнии 105 кВ
Материал Эпоксидная смола + медный экранирующий слой + композитная изоляция из силиконовой резины
Диапазон применяемых температур -40℃ ~ +90℃
Рейтинг защиты IP68
Установочные размеры 110×180×230 мм (внешний диаметр × длина × общая высота)

Пусть весь мир узнает о Бепто

Bepto - ведущая китайская компания в области электроизоляции, сосредоточенная на разработке передовых решений для будущих энергосистем. Мы поддерживаем безопасность и рост систем передачи и распределения электроэнергии, а нашими долгосрочными партнерами являются такие компании, как State Grid, ABB, Schneider, Siemens и GE. Наши услуги доступны клиентам в более чем 22 странах.

Приложение

ВСЕ, ЧТО ВЫ НЕ СМОГЛИ НАЙТИ?
Поговорите с нашими сотрудниками отдела продаж

Компания Bepto ориентируется на глобальный рынок и предоставляет своим клиентам продукцию, подходящую для местного рынка:

ОТПРАВЬТЕ НАМ ПИСЬМО
Свяжитесь с нами

Непоколебимо следуя своим обязательствам перед клиентами и внедряя передовые инновации, компания Bepto является вашим надежным союзником на предстоящем пути.

Форма Контакт 2
🔒 Ваша информация надежно защищена и зашифрована.
Логотип Bepto красный
Получите больше преимуществ после отправки информационной формы
Форма контакта
🔒 Ваша информация надежно защищена и зашифрована.