24KV настенная втулка 175×255×218 - TG3-24KV высоковольтная 2000-4000A IP68 промышленная

Описание:

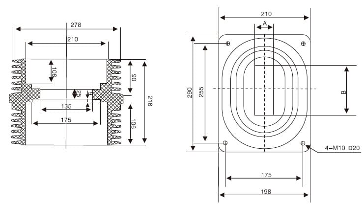
TG3-24KV/175×255×218 24KV Настенный проходной изолятор: широкоформатный 175×255×218 мм, высокая токовая нагрузка 2000-4000A, импульс молнии 150 кВ, устойчивость к воздействию окружающей среды, защита IP68.

Применение:

  • Мощная энергетическая инфраструктура: Крупные электростанции, передающие подстанции, фермы возобновляемых источников энергии, требующие высокого напряжения и силы тока, обеспечивающие стабильную передачу в высоконагруженных системах среднего напряжения с силой тока 2000-4000 А и номиналом 24 кВ для максимальной мощности в критических областях энергетической инфраструктуры.
  • Тяжелые промышленные комплексы: Сталелитейные производства, алюминиевые заводы, комплексы химической переработки, требующие усиленной электроизоляции, обеспечивающей безопасность и эффективность благодаря многослойным композитным материалам с частотой питания 65 кВ и напряжением, выдерживающим импульс молнии 150 кВ, для превосходной электрозащиты
  • Операции в экстремальных условиях: Морские платформы, арктические установки, энергетические объекты в пустыне, нуждающиеся в прочной защите от воздействия окружающей среды, обеспечивающей надежную работу при экстремальных температурах и суровых условиях от -40℃ до +90℃ с защитой IP68 для защиты от пыли и воды в сложных условиях эксплуатации.
  • Интеграция сложных систем: Модернизация электросетей, модернизация промышленных объектов, проекты по расширению инфраструктуры, требующие совместимости с крупными форматами, позволяющие интегрировать их в сложные, мощные электрические инфраструктуры. Размеры 175×255×218 мм обеспечивают универсальность промышленного класса в энергетике, нефтехимии и тяжелой промышленности.

Технические характеристики

24KV настенная втулка 175×255×218 - TG3-24KV высоковольтная 2000-4000A IP68 промышленная

Количество проходящих шин Одиночная шина Одиночная шина Одиночная шина
A 10 12 12
B 62 82 102

Характеристики

Тип TG3-24KV/175×255×218
Номинальное напряжение 24 кВ
Номинальный ток 2000A ~ 4000A
Мощность Частота Выдерживаемое напряжение 65 кВ/1 мин
Выдерживаемое напряжение импульса молнии 150 кВ
Материал Эпоксидная смола + медный экранирующий слой + композитная изоляция из силиконовой резины
Диапазон применяемых температур -40℃ ~ +90℃
Рейтинг защиты IP68
Установочные размеры 175×255×218 мм (внешний диаметр × длина × общая высота)

Пусть весь мир узнает о Бепто

Bepto - ведущая китайская компания в области электроизоляции, сосредоточенная на разработке передовых решений для будущих энергосистем. Мы поддерживаем безопасность и рост систем передачи и распределения электроэнергии, а нашими долгосрочными партнерами являются такие компании, как State Grid, ABB, Schneider, Siemens и GE. Наши услуги доступны клиентам в более чем 22 странах.

Приложение

ВСЕ, ЧТО ВЫ НЕ СМОГЛИ НАЙТИ?
Поговорите с нашими сотрудниками отдела продаж

Компания Bepto ориентируется на глобальный рынок и предоставляет своим клиентам продукцию, подходящую для местного рынка:

ОТПРАВЬТЕ НАМ ПИСЬМО
Свяжитесь с нами

Непоколебимо следуя своим обязательствам перед клиентами и внедряя передовые инновации, компания Bepto является вашим надежным союзником на предстоящем пути.

Форма Контакт 2
🔒 Ваша информация надежно защищена и зашифрована.
Логотип Bepto красный
Получите больше преимуществ после отправки информационной формы
Форма контакта
🔒 Ваша информация надежно защищена и зашифрована.