Трехсторонняя контактная коробка 35KV/40.5KV модернизированная - CH3-35KV/660 3150A 50kA двухвольтная разнонаправленная

Описание:

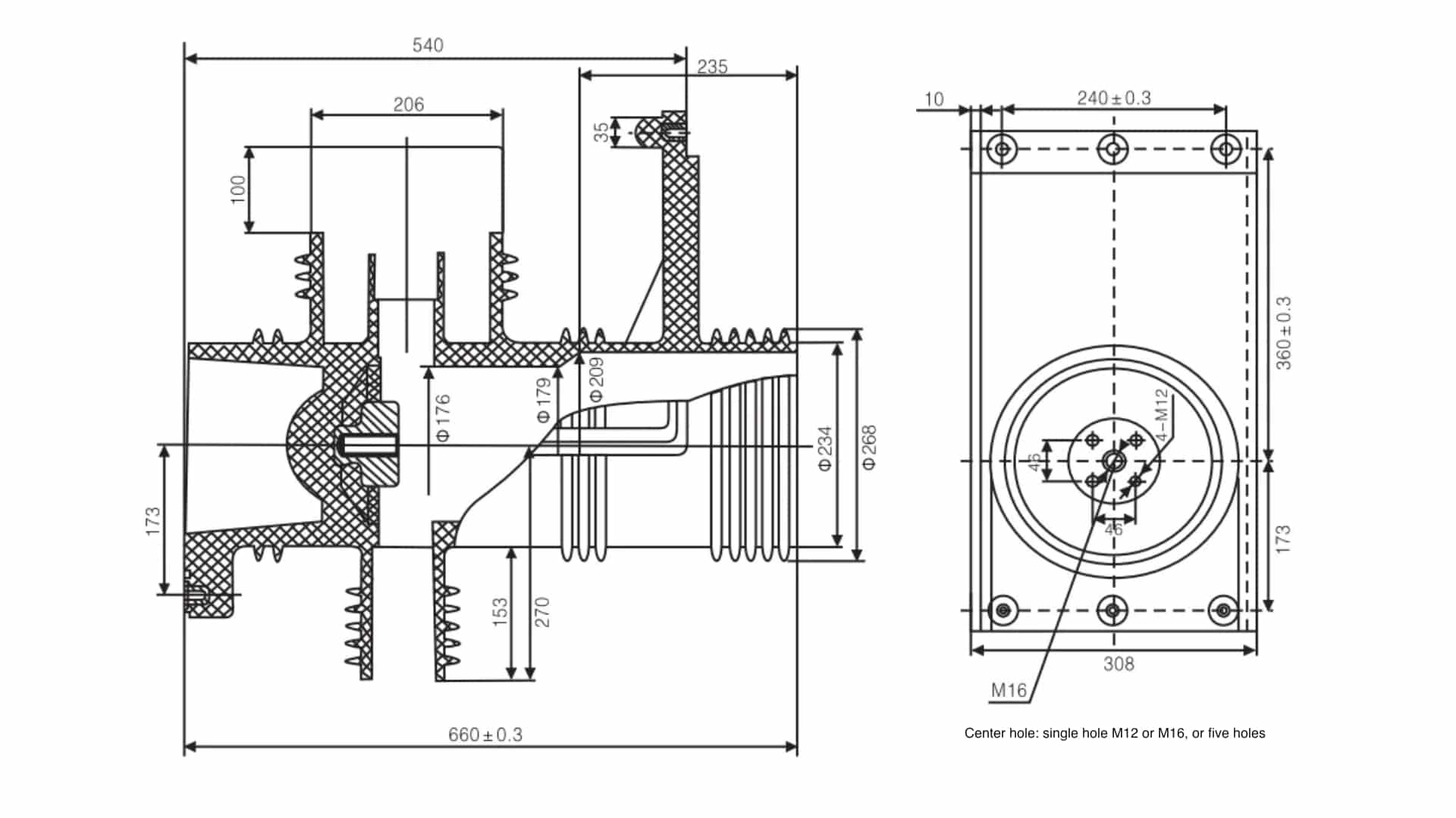
CH3-35KV/660 35KV/40.5KV Контактная коробка трехсторонняя модернизированная: Двунаправленное распределение напряжения 3150A, выдерживает 50kA/4s, защита IP67, эпоксидная смола без пустот для кольцевых главных блоков.

Применение:

  • Многостандартные основные узлы кольца: Международные электросети, системы кольцевых главных устройств с несколькими напряжениями, трансграничная электрическая инфраструктура, требующая совместимого с двумя напряжениями разнонаправленного распределения электроэнергии с совместимостью уровней напряжения 35 кВ/40,5 кВ и трехсторонней конструкцией, объединяющей три цепи, что уменьшает количество соединительного оборудования и упрощает компоновку шин. Мощность 3150 А обеспечивает превосходную производительность в системах кольцевых главных устройств с несколькими стандартами.
  • Гибкие сети интеграции с сетями: Адаптивные к напряжению распределительные системы, проекты модернизации сети с несколькими фидерами, модернизация электрических систем, требующая эксплуатационной гибкости, позволяющая осуществлять секционное переключение и изоляцию ветвей без полного отключения системы, минимизируя время простоя, а выдерживаемый ток 50 кА/4 с обеспечивает максимальную надежность в гибких системах интеграции в сеть.
  • Международные станции возобновляемой энергии: Ветряные электростанции с различными требованиями к напряжению и множеством фидеров, глобальные фотоэлектрические системы с разветвленными цепями, трансграничные установки зеленой энергетики, требующие экономии места, с компактным концентратором, заменяющим множество стыков, экономящим место для панелей и упрощающим компоновку, с защитой IP67, обеспечивающей надежную работу в международных условиях возобновляемой энергетики.
  • Высокопроизводительные многовольтные многоконтурные приложения: Критически важные энергосистемы с гибким напряжением и несколькими отходящими линиями, высоконадежные установки с различными стандартами напряжения, требующие сложной конфигурации шин, критически важные электрические системы, требующие необслуживаемой конструкции с цельной оболочкой, исключающей швы и уменьшающей точки износа, с эпоксидной оболочкой без пустот, обеспечивающей долгосрочную стабильность в разных диапазонах напряжения.

Технические характеристики

35KV40.5KV Контактная коробка трехсторонняя модернизированная - CH3-35KV660 3150A 50kA двухвольтная разнонаправленная

Характеристики

Тип CH3-40.5KV/660(Three-way Design)
Номинальный ток 3150A
Номинальное напряжение 40,5 кВ
Номинальный кратковременный выдерживаемый ток 50 кА/4 с
Характеристики товара Трехсторонний дизайн
Уровень защиты IP67

Пусть весь мир узнает о Бепто

Bepto - ведущая китайская компания в области электроизоляции, сосредоточенная на разработке передовых решений для будущих энергосистем. Мы поддерживаем безопасность и рост систем передачи и распределения электроэнергии, а нашими долгосрочными партнерами являются такие компании, как State Grid, ABB, Schneider, Siemens и GE. Наши услуги доступны клиентам в более чем 22 странах.

Приложение

ВСЕ, ЧТО ВЫ НЕ СМОГЛИ НАЙТИ?
Поговорите с нашими сотрудниками отдела продаж

Компания Bepto ориентируется на глобальный рынок и предоставляет своим клиентам продукцию, подходящую для местного рынка:

ОТПРАВЬТЕ НАМ ПИСЬМО
Свяжитесь с нами

Непоколебимо следуя своим обязательствам перед клиентами и внедряя передовые инновации, компания Bepto является вашим надежным союзником на предстоящем пути.

Форма Контакт 2
🔒 Ваша информация надежно защищена и зашифрована.
Логотип Bepto красный
Получите больше преимуществ после отправки информационной формы
Форма контакта
🔒 Ваша информация надежно защищена и зашифрована.