FW9-12 SF6 Выключатель нагрузки 12 кВ 630A - Наружный секционный выключатель с дистанционным управлением из нержавеющей стали 5000 м

Описание:

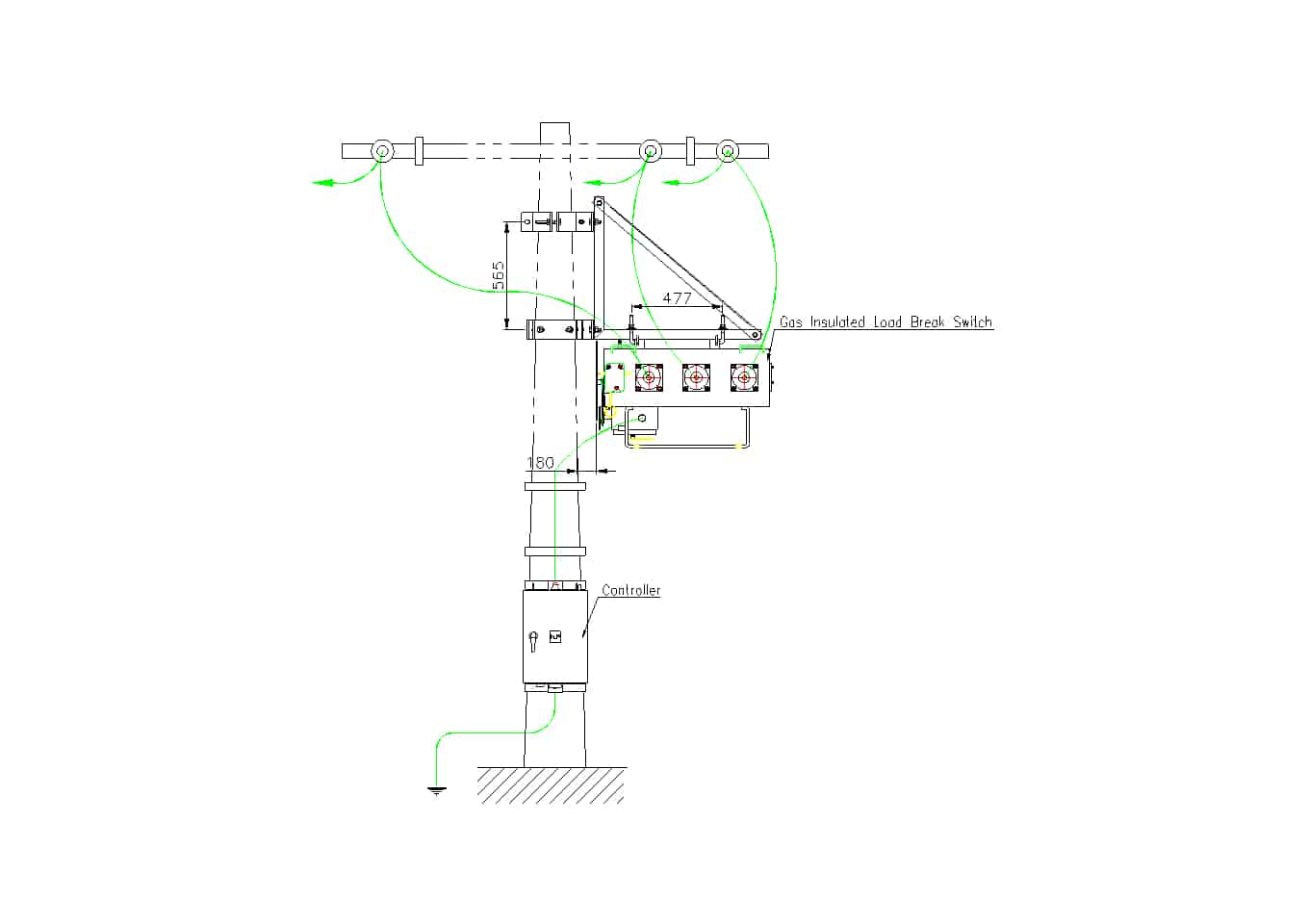
FW9-12 SF6 Выключатель разрыва нагрузки: 12 кВ 630А секционный выключатель наружной установки, ручное/электрическое/дистанционное управление, электронный контроллер, шкаф из нержавеющей стали, высота 5000 м, от -40°C до +50°C, видимый статус открыт/закрыт.

Применение:

Передовые выключатели серии FW9-12 SF6 с разрывом нагрузки: Премиум открытый пост SF6 изолированный выключатель нагрузки предназначен для номинального напряжения 12/24/40.5кВ, номинальный ток 630А, 50/60Гц электросетей, размыкание цепей, замыкание токов нагрузки, токов перегрузки, автоматическое разделение оборванных распределительных линий, с использованием нетоксичного, невоспламеняющегося газа SF6 с отличными дугогасительными характеристиками, обеспечивающего ручное управление, электрическое управление и дистанционное управление с помощью электронного контроллера, установленного в шкафу из нержавеющей стали 304L, подходящем для любых климатических условий, с проводным/беспроводным модемом для дистанционного мониторинга и управления, видимое состояние открыто/закрыто с цветовым индикатором (зеленый-выключено, красный-закрыто), пружинный механизм, обеспечивающий быстрое закрытие/открытие.

Дистанционное управление и готовность к работе в экстремальных условиях: FW9-12 включает в себя электронный контроллер с пультом управления интерфейсом FTU, конструкцию из нержавеющей стали 304L (военного класса), обеспечивающую 30-летний срок службы, простую установку колонн, снижающую стоимость строительства, работу при температуре от -40°C до +50°C, относительной влажности 100%, на высоте до 5000 м, интенсивности землетрясения ≤8, классе загрязнения III/IV, обеспечивая надежное решение по переключению SF6 с дистанционным управлением для автоматизации распределительных линий и секционирования.

Технические характеристики

FW9-12 SF6 Выключатель нагрузки 12 кВ 630A - Наружный секционный выключатель с дистанционным управлением из нержавеющей стали 5000 м

FW9-12 SF6 Выключатель нагрузки 12 кВ 630A - Наружный секционный выключатель с дистанционным управлением из нержавеющей стали 5000 м

Характеристики

Технические характеристики выключателя разрыва нагрузки FW9-12 SF6 12 кВ 24 кВ 40,5 кВ Единица
Номер модели FW9-12 FW9-24 FW9-40.5 -
Альтернативное напряжение 6/10/11 кВ 15/17,5/20 кВ 33/36/38 кВ -
Бренд Изоляционные системы Bepto Изоляционные системы Bepto Изоляционные системы Bepto -
Тип продукта Выключатель разрыва нагрузки с изоляцией SF6 для наружной установки (секционирующий) Выключатель разрыва нагрузки с изоляцией SF6 для наружной установки (секционирующий) Выключатель разрыва нагрузки с изоляцией SF6 для наружной установки (секционирующий) -
Основные технологии Газовая изоляция SF6 + дистанционное управление + электронный контроллер + автоматическое секционирование Газовая изоляция SF6 + дистанционное управление + электронный контроллер + автоматическое секционирование Газовая изоляция SF6 + дистанционное управление + электронный контроллер + автоматическое секционирование -
Номинальное напряжение 12 24 40.5 кВ
Номинальная частота 50/60 50/60 50/60 Гц
Номинальный ток 630 (400) 630 (400) 630 (400) A
Характеристики газа SF6 Нетоксичный, невоспламеняющийся, превосходное гашение дуги Нетоксичный, невоспламеняющийся, превосходное гашение дуги Нетоксичный, невоспламеняющийся, превосходное гашение дуги -
Методы работы Ручное + электрическое + дистанционное управление Ручное + электрическое + дистанционное управление Ручное + электрическое + дистанционное управление -
Электронный контроллер Шкаф из нержавеющей стали 304L (все климатические условия) Шкаф из нержавеющей стали 304L (все климатические условия) Шкаф из нержавеющей стали 304L (все климатические условия) -
Удаленный мониторинг Проводной/беспроводной модем для удаленного мониторинга и управления Проводной/беспроводной модем для удаленного мониторинга и управления Проводной/беспроводной модем для удаленного мониторинга и управления -
Видимый индикатор состояния Цветная кодировка (зеленый - выключен, красный - закрыт), видимость на уровне земли Цветная кодировка (зеленый - выключен, красный - закрыт), видимость на уровне земли Цветная кодировка (зеленый - выключен, красный - закрыт), видимость на уровне земли -
Механизм управления Пружинный механизм (быстрое закрытие/открытие) Пружинный механизм (быстрое закрытие/открытие) Пружинный механизм (быстрое закрытие/открытие) -
Интерфейс FTU Да (работа с консолью) Да (работа с консолью) Да (работа с консолью) -
Автоматическое секционирование Да (автоматическое разделение поврежденных распределительных линий) Да (автоматическое разделение поврежденных распределительных линий) Да (автоматическое разделение поврежденных распределительных линий) -
Выдерживает импульс молнии (фаза/земля, 0,07 МПа/20°C) 75 125 185 кВ
Выдерживает импульс молнии (разрушение, 0,07 МПа/20°C) 85 145 215 кВ
Выдерживаемая частота 1 мин (фаза/земля, 0,07 МПа/20°C) 42 64 95 кВ
Выдерживает 1 мин (разрушение, 0,07 МПа/20°C) 50 79 110 кВ
Номинальный ток разрывной нагрузки (0,07 МПа/20°C) 630 (400) 630 (400) 630 (400) A
Разрывной ток при нулевом манометрическом давлении 630 (400) 630 (400) 630 (400) A
Пиковый выдерживаемый ток 50 50 50 kA
Номинальный ток кратковременного включения 50 50 50 kA
Номинальный кратковременный выдерживаемый ток 20/4 20/4 20/4 кА/с
Номинальный ток разрыва кабеля при зарядке 25 25 25 A
Номинальный ток отключения зарядки линии 16 16 16 A
Номинальный ток размыкания замкнутого контура 630 (400) 630 (400) 630 (400) A
Захватывающее течение 21 21 21 A
Номинальный ток Время отключения ≥400 ≥400 ≥400 раз
Номинальное рабочее давление 0.07 0.07 0.25 МПа
Сопротивление главной цепи на одну фазу ≤150 ≤150 ≤150 μΩ
Относительная скорость утечки газа ≤1% ≤1% ≤1% год
Содержание влаги в газе SF6 (заводское) ≤150 ≤150 ≤150 ppm
Содержание влаги в газе SF6 (работает) ≤300 ≤300 ≤300 ppm
Механические операции по стабилизации 6000 6000 6000 раз
Номинальное рабочее напряжение (вспомогательные цепи) ПОСТОЯННЫЙ ТОК 220/110/48/24В, ПЕРЕМЕННЫЙ ТОК 220/110В ПОСТОЯННЫЙ ТОК 220/110/48/24В, ПЕРЕМЕННЫЙ ТОК 220/110В ПОСТОЯННЫЙ ТОК 220/110/48/24В, ПЕРЕМЕННЫЙ ТОК 220/110В V
Температура окружающей среды от -40 до +50 от -40 до +50 от -40 до +50 °C
Относительная влажность 100 100 100 %
Высота ≤1000/2000/3000/5000 ≤1000/2000/3000/5000 ≤1000/2000/3000/5000 m
Давление ветра ≤700 (скорость ветра 34 м/с) ≤700 (скорость ветра 34 м/с) ≤700 (скорость ветра 34 м/с) Pa
Интенсивность землетрясения ≤8 ≤8 ≤8 -
Класс загрязнения Класс III, Класс IV Класс III, Класс IV Класс III, Класс IV -
Место установки Не возгорается, не взрывается, не подвергается химической коррозии, не подвергается сильной вибрации Не возгорается, не взрывается, не подвергается химической коррозии, не подвергается сильной вибрации Не возгорается, не взрывается, не подвергается химической коррозии, не подвергается сильной вибрации -
Материал корпуса Нержавеющая сталь 304L (военный класс, срок службы 30 лет) Нержавеющая сталь 304L (военный класс, срок службы 30 лет) Нержавеющая сталь 304L (военный класс, срок службы 30 лет) -
Класс защиты IP44 / IP54 IP44 / IP54 IP44 / IP54 -
Тип крепления Тип подъема (подвесной) / блочный (горизонтальный) Тип подъема (подвесной) / блочный (горизонтальный) Тип подъема (подвесной) / блочный (горизонтальный) -
Вес (тип M) 115 125 135 кг
Вес (тип A) 135 145 155 кг
Срок службы 30 лет 30 лет 30 лет лет
Приложение Распределительные сети, размыкание цепей, замыкание токов нагрузки, токи перегрузки, автоматическое секционирование поврежденных распределительных линий, удаленный мониторинг/управление, установка колонн Распределительные сети, размыкание цепей, замыкание токов нагрузки, токи перегрузки, автоматическое секционирование поврежденных распределительных линий, удаленный мониторинг/управление, установка колонн Распределительные сети, размыкание цепей, замыкание токов нагрузки, токи перегрузки, автоматическое секционирование поврежденных распределительных линий, удаленный мониторинг/управление, установка колонн -

Пусть весь мир узнает о Бепто

Bepto - ведущая китайская компания в области электроизоляции, сосредоточенная на разработке передовых решений для будущих энергосистем. Мы поддерживаем безопасность и рост систем передачи и распределения электроэнергии, а нашими долгосрочными партнерами являются такие компании, как State Grid, ABB, Schneider, Siemens и GE. Наши услуги доступны клиентам в более чем 22 странах.

Приложение

ВСЕ, ЧТО ВЫ НЕ СМОГЛИ НАЙТИ?
Поговорите с нашими сотрудниками отдела продаж

Компания Bepto ориентируется на глобальный рынок и предоставляет своим клиентам продукцию, подходящую для местного рынка:

ОТПРАВЬТЕ НАМ ПИСЬМО
Свяжитесь с нами

Непоколебимо следуя своим обязательствам перед клиентами и внедряя передовые инновации, компания Bepto является вашим надежным союзником на предстоящем пути.

Форма Контакт 2
🔒 Ваша информация надежно защищена и зашифрована.
Логотип Bepto красный
Получите больше преимуществ после отправки информационной формы
Форма контакта
🔒 Ваша информация надежно защищена и зашифрована.