Высоковольтная встраиваемая опора RZP5.047 - 24 кВ 1250A Premium Distribution 30 операций 125 кВ Impulse

Описание:

Высоковольтная встраиваемая опора RZP5.047a: распределение 24 кВ высшего класса, ток 1250 А, скоростное открытие 1,7 м/с, выдерживает импульс молнии 125 кВ, надежность 20 лет.

Применение:

  • Подстанции электропередачиВстраиваемые столбы высокого напряжения 24 кВ для подключения к электросетям, диспетчерских центров, требующих защиты от молнии 125 кВ
  • Промышленная дистрибуция: Премиальное распределение 1250A для алюминиевых заводов, центров обработки данных, полупроводниковых фабрик, требующих высокоскоростного устранения неисправностей со скоростью 1,7 м/с.
  • Интеграция возобновляемых источников энергииВстраиваемый столб 24 кВ для ветряных электростанций, солнечных электростанций, подключаемых к сети электропередач, с превосходной защитой от повреждений 25 кА
  • Городские сети: Распределение высокого напряжения для мегаполисов, коммерческих районов, требующих надежной работы при коротком замыкании 30 операций

Технические характеристики

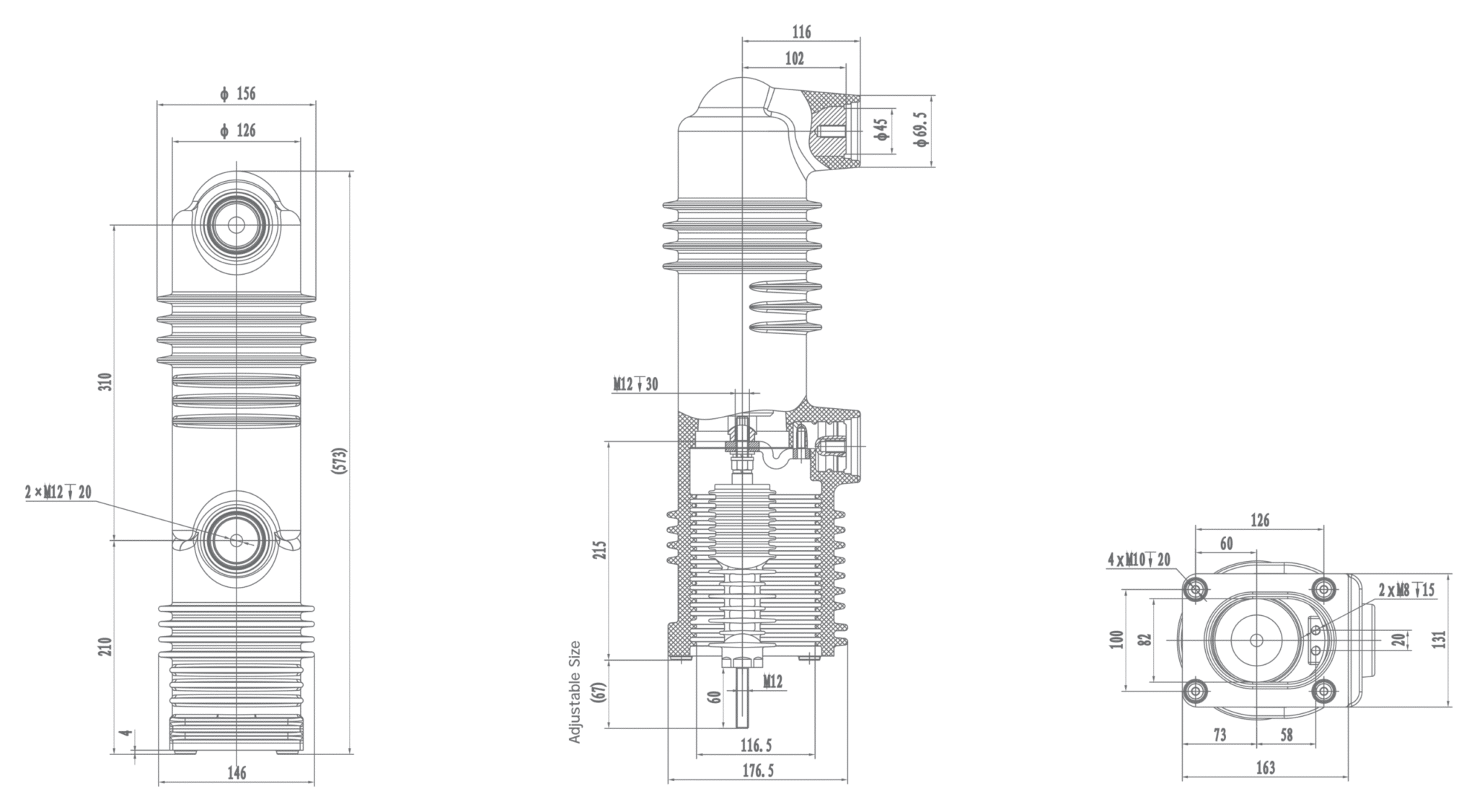
RZP5.047 Встраиваемая опора 24 кВ, 1250A

Чертеж №. Технические характеристики Подберите изолированную тягу Подберите радиационную рамку
RZP5.047a EP24/1250-25 RAP4. 028c. 05 RAP4. 047a. 01

Характеристики

Основные технические данные
Данные Значение Единица
Номинальное напряжение 24 кВ
Номинальный ток 1250 A
Номинальная частота 50 Гц
Номинальный ток короткого замыкания 25 kA
Операции прерывания тока короткого замыкания 30 время
Номинальный ток короткого замыкания 63 kA
Номинальный пиковый выдерживаемый ток 63 kA
Номинальный кратковременный выдерживаемый ток(4 с) 25 kA
Номинальный ток отключения блока конденсаторов 630※ A
Номинальный ток отключения конденсатора встык 400※ A
Кратковременное (1 мин) выдерживаемое напряжение силовой частоты 65 кВ
Выдерживаемое напряжение импульса освещения (пиковое) 125 кВ
Сопротивление цепи при номинальном усилии контакта ≤25 μΩ
Механический срок службы 10,000 время
Сила замыкания контактов под действием сильфона и атмосферы 100±30 N
Контрфорс при номинальном ходе контактов 200±30 N
Предельная эрозия контактов 3 мм
Срок годности 20 год
Частичная разрядка ≤1 pC
Номинальная последовательность работы 0-0.3s-co-180s-co
Механические характеристики цепи, оснащенной прерывателями
Данные Значение Единица
Номинальный ход контактов 12±1 мм
Ход контактного соединения 3±1 мм
Средняя скорость открытия 1.1~1.7 м/с
Средняя скорость закрытия 0.8~1.2 м/с
Номинальное рабочее давление контакта 2400±200 N
Длительность отскока при замыкании контактов ≤2 мс
Нарушение одновременности замыкания и размыкания контактов ≤1 мс
Максимальный ход ≤2 мм

“※”Номинальные характеристики должны быть предоставлены по запросу

Руководство

Пусть весь мир узнает о Бепто

Bepto - ведущая китайская компания в области электроизоляции, сосредоточенная на разработке передовых решений для будущих энергосистем. Мы поддерживаем безопасность и рост систем передачи и распределения электроэнергии, а нашими долгосрочными партнерами являются такие компании, как State Grid, ABB, Schneider, Siemens и GE. Наши услуги доступны клиентам в более чем 22 странах.

Приложение

ВСЕ, ЧТО ВЫ НЕ СМОГЛИ НАЙТИ?
Поговорите с нашими сотрудниками отдела продаж

Компания Bepto ориентируется на глобальный рынок и предоставляет своим клиентам продукцию, подходящую для местного рынка:

ОТПРАВЬТЕ НАМ ПИСЬМО
Свяжитесь с нами

Непоколебимо следуя своим обязательствам перед клиентами и внедряя передовые инновации, компания Bepto является вашим надежным союзником на предстоящем пути.

Форма Контакт 2
🔒 Ваша информация надежно защищена и зашифрована.
Логотип Bepto красный
Получите больше преимуществ после отправки информационной формы
Форма контакта
🔒 Ваша информация надежно защищена и зашифрована.