RZP5.027 12kV Enkapsüle Kutup Ünitesi 1250A - VEG Gaz İzoleli Hücre 25-31.5kA Kesme Akımı

Açıklama:

Bepto RZP5.027 12kV Enkapsüle Kutup Ünitesi 1250A, 25-31.5kA kesme kapasitesine sahiptir. VEG gaz izolasyonlu şalt cihazı 30.000 çalışma, 20 yıl raf ömrüne sahiptir.

Uygulamalar:

  • Endüstriyel şalt tesisatları (12kV sistemler)
  • Üretim tesisleri ve enerji santralleri
  • Ticari binalar ve altyapı projeleri
  • Madencilik, petrokimya ve ağır sanayi uygulamaları

Teknik Özellikler

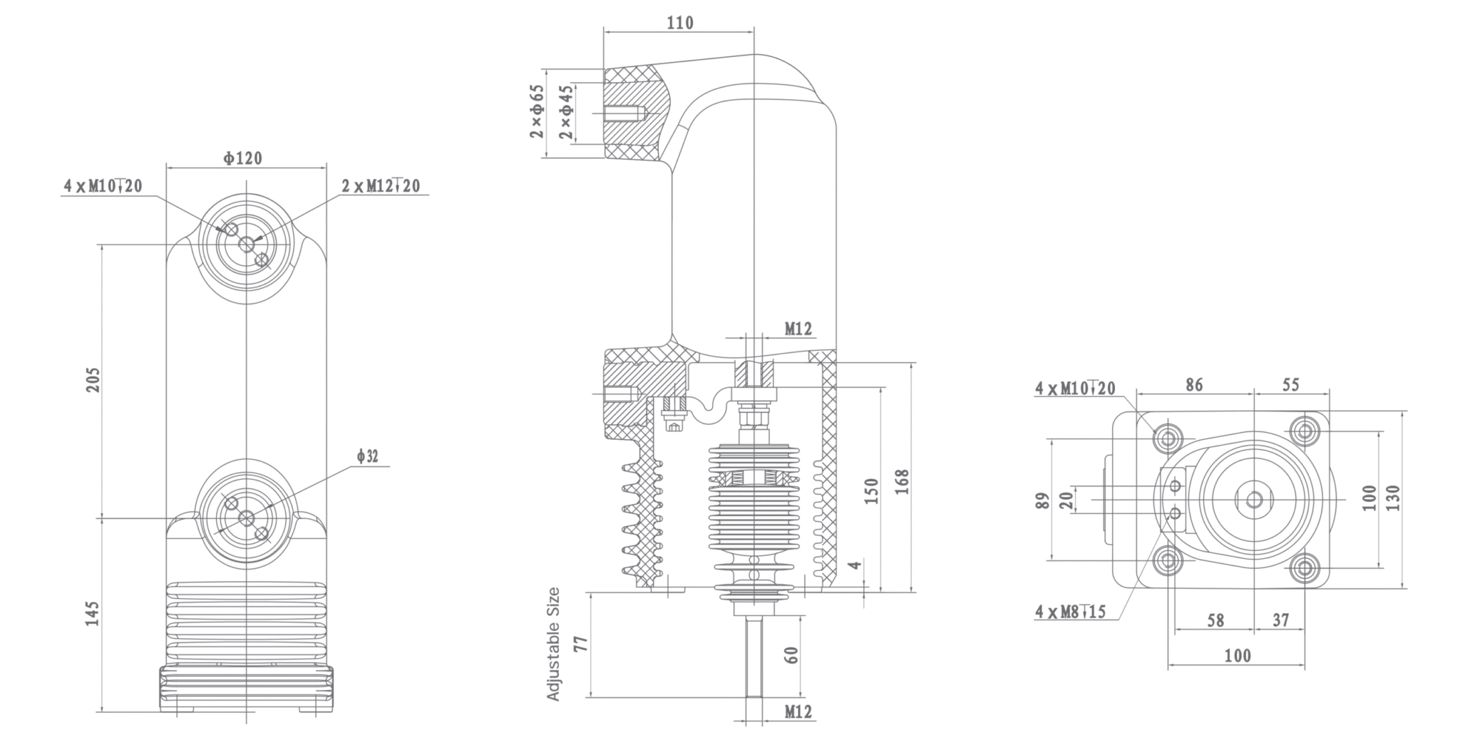
RZP5.027c-d 12 kV Gömülü Kutup, 1250A

Çizim No. Şartname Yalıtımlı Çekme Çubuğunu Eşleştirin Radyasyon Çerçevesini Eşleştirin
RZP5. 027c EP/VEG12/1250-25 RAP4.027b. 05 RAP4. 047a.01
RZP5. 027d EP/VEG12/1250-31.5 RAP4.027b. 05 RAP4. 047a.01

Özellikler

Ana Teknik Veriler
Veri Değer Birim
Nominal gerilim 12 kV
Nominal akım 1250 A
Nominal frekans 50 Hz
Nominal kısa devre kesme akımı 25 31.5 kA
Kısa devre kesme akımı kesintisi işlemleri 30 zaman
Nominal kısa devre yapma akımı 63 80 kA
Nominal tepe dayanım akımı 63 80 kA
Nominal kısa süreli dayanım akımı(4s) 25 31.5 kA
Nominal tek kondansatör bankası kesme akımı 630 ※ A
Arka arkaya nominal kondansatör kesme akımı 400 ※ A
Kısa süreli (1 dakika) güç frekansı dayanım gerilimi 48 kV
Aydınlatma darbe dayanım gerilimi (tepe) 75 kV
Nominal temas kuvvetinde devre direnci ≤25 μΩ
Mekanik ömür 30,000 zaman
Körükler ve atmosfer nedeniyle temas kapama kuvveti 120±50 N
Nominal temas strokunda karşı kuvvet 180±50 N
Temas sınırı erozyonu 3 mm
Raf ömrü 20 yıl
kısmi deşarj ≤1 pC
Nominal çalışma sırası 0-0.3s-co-180s-co
Kesicilerle Donatılmış Devrenin Mekanik Verileri
Veri Değer Birim
Nominal kontak stroku 9±1 mm
Kontak bağlantı stroku 3±1 mm
Ortalama açılış hızı 0.9~1.3 m/s
Ortalama kapanış hızı 0.4~0.8 m/s
Kontağın nominal çalışma basıncı 3100±200 N
Temas kapanışının sıçrama süresi ≤2 ms
Kontak kapama ve açma eşzamanlılığının olmaması ≤1 ms
Maks. aşırı hareket ≤2 mm

“※”Talep üzerine verilecek nominal özellikler

El Kitabı

RZP5.027c-d-12-kV-Embedded-Pole-1250A.pdf
PDF Dosyası 1,19 MB

Dünyanın Bepto'dan Haberdar Olmasını Sağlayın

Bepto, geleceğin güç sistemleri için gelişmiş çözümler geliştirmeye odaklanmış, elektrik yalıtımı alanında lider bir Çin şirketidir. State Grid, ABB, Schneider, Siemens ve GE gibi uzun vadeli ortaklarla iletim ve dağıtım güvenliğini ve büyümesini destekliyoruz. Hizmetlerimiz 22'den fazla ülkedeki müşterilere ulaşmaktadır.

Uygulama

BULAMADIĞIN BIR ŞEY VAR MI?
Satışlarımızla Görüşün

Bepto, küresel pazara odaklanmakta ve müşterilerimize yerel pazara uygun ürünler sunmaktadır:

BIZE BIR E-POSTA GÖNDERIN
Bize Ulaşın

Müşterilerimize olan bağlılığımızdan ve en son yenilikleri sunmaktan vazgeçmeyen Bepto, önümüzdeki yolculukta sadık müttefikiniz olarak duruyor.

Form İletişim 2
🔒 Bilgileriniz güvenlidir ve şifrelenmiştir.
Bepto Logo kırmızı
Bilgi Formunu Gönderdikten Sonra Daha Fazla Avantaj Elde Edin
Form İletişim
🔒 Bilgileriniz güvenli ve şifrelidir.