Spezialisierung auf die Herstellung von Isolierprodukten

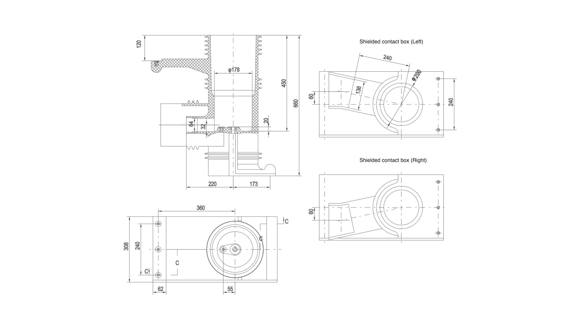
40,5KV Geschirmte Kontaktbox - CH3 40.5-307P/660 630-3150A Luftisolierte Innenraum-Schaltanlagen

Beschreibung:

CH3 40.5-307P/660 40.5KV Geschirmte Kontaktbox: Serie 630-3150A mit Luftisolierung, 185kV blitzstoßfest, kompatibel mit KYN28-12/24/61 VD4-Schaltanlagen für den Innenbereich, Flammschutzklasse V1.

Anwendungen:

  • Innenraum-Schaltanlagen der Baureihe KYN28: Mittelspannungs-Schaltanlagen, KYN28-12/24/61-Schaltanlagen, VD4-Leistungsschalteranwendungen, die eine luftisolierte, abgeschirmte Kontaktbox mit 40,5 kV Nennspannung und einem breiten Strombereich von 630-3150 A erfordern, die eine überragende Leistung mit einer Blitzstoßfestigkeit von 185 kV gewährleistet und einen außergewöhnlichen Schutz in Innenraum-Schaltanlagen der Serie KYN28 bietet
  • Hochspannungs-Verteilungssysteme: Kritische Stromverteilungsnetze, Installationen von Umspannwerken, elektrische Infrastrukturprojekte, die ein abgeschirmtes, abgeschrägtes Design erfordern, das die Verteilung des elektrischen Feldes optimiert und Teilentladungen mit einem Luftabstand von 360 mm zwischen den Phasen und einer Kriechstrecke von 20 mm/kV reduziert, um maximale Zuverlässigkeit in Hochspannungsverteilungsanwendungen zu gewährleisten
  • Industrielle Stromversorgungszentralen: Fertigungsanlagen mit Mittelspannungsanforderungen, elektrische Prozesssteuerungssysteme, industrielle Automatisierungsanlagen, die einen Brandschutz nach V1 UL94 mit Luftisolierungstechnologie benötigen, die einen wartungsfreien Betrieb und langfristige Stabilität in industriellen Stromsteuerungsumgebungen gewährleistet
  • Kerndämmendes Bauteil Anwendungen: Schaltanlagenhersteller, die abgeschirmte Wanddurchführungen, Sensorisolatoren, Isolatorzylinder, eingebettete Pole und Formteile benötigen, sowie Erstausrüster von Elektrogeräten, die umfassende Isolierlösungen mit einer Temperaturklasse von 105±5°C benötigen, die eine zuverlässige Leistung bei verschiedenen Anwendungen für isolierende Kernkomponenten gewährleisten

Spezifikationen

40,5KV Geschirmte Kontaktbox - CH3 40.5-307P:660 630-3150A Luftisolierte Innenraum-Schaltanlagen

Auswahl Zeichnung Nr. Montageabstand
CH3 40.5-307P/660 5RA35.012.138.01 300
CH3 40.5-307P/660 5RA35.012.138.06 300

Eigenschaften

Ietm Wert Einheit
Nennspannung 40.5 kV
Nennstrom 630-3150 A
PF 100 kV/1 min
PD 1.1UR≤3 pC
Blitzimpuls-Stehspannung 185 kV
PT 1A2.5
TG 105±5 °C
Flamme Bewertung V1 UL94
V0 besondere Bedürfnisse
Luftabstand zwischen den Phasen 360 mm
Kriechgang als von 20 mm/kV
Farbe 3009 RAL

Handbuch

CH3-40.5-307P-660-Shielded-Contact-Box.pdf
PDF-Datei 2,71 MB

Informieren Sie die Welt über Bepto

Bepto ist ein führendes chinesisches Unternehmen im Bereich der elektrischen Isolierung, das sich auf die Entwicklung fortschrittlicher Lösungen für zukünftige Energiesysteme konzentriert. Wir unterstützen die Sicherheit und das Wachstum von Übertragungs- und Verteilungsnetzen und arbeiten mit langjährigen Partnern wie State Grid, ABB, Schneider, Siemens und GE zusammen. Unsere Dienstleistungen erreichen Kunden in über 22 Ländern.

Anmeldung

ALLES, WAS SIE NICHT FINDEN KONNTEN?
Sprechen Sie mit unserem Vertrieb

Bepto konzentriert sich auf den globalen Markt und bietet seinen Kunden Produkte an, die für den lokalen Markt geeignet sind:

SENDEN SIE UNS EINE E-MAIL
Kontakt

Durch unser Engagement für unsere Kunden und die Bereitstellung von Spitzeninnovationen ist Bepto Ihr treuer Verbündeter auf dem Weg in die Zukunft.

Formular Kontakt 2
🔒 Ihre Daten sind sicher und verschlüsselt.
Bepto Logo rot
Erhalten Sie mehr Vorteile, da Sie das Info-Formular einreichen
Formular Kontakt
🔒 Ihre Daten sind sicher und verschlüsselt.