RZP5.028 Pértiga empotrada de corriente escalable - 24kV 1250A-2000A 31.5kA 3100N Ultra-Force

Descripción:

RZP5.028 Pértiga empotrada de corriente escalable: aparamenta de 24kV, opciones de corriente escalable 1250A/1600A/2000A, 31,5kA de corte, 3100N de fuerza de maniobra, ≤21-25μΩ de resistencia.

Aplicaciones:

  • Poste empotrado ultracorriente: Fundiciones de aluminio (2000A), hornos de arco eléctrico de acero, grandes centros de datos que requieren la máxima capacidad de corriente polo empotrado con 3100N de fuerza operativa.
  • Poste empotrado de alta corriente: Plantas petroquímicas (1600A), explotaciones mineras, complejos industriales que exigen una distribución de alta corriente por polos empotrados con una fiabilidad superior.
  • Corriente estándar Poste empotrado: Instalaciones de fabricación (1250 A), distribución de energía, sistemas de energía renovable que necesitan un mejor rendimiento de los polos empotrados de corte.
  • Soluciones integradas escalables: El diseño modular de los polos integrados permite la optimización del sistema en la gama 1250A-2000A en función de los requisitos específicos de la carga.

Especificaciones

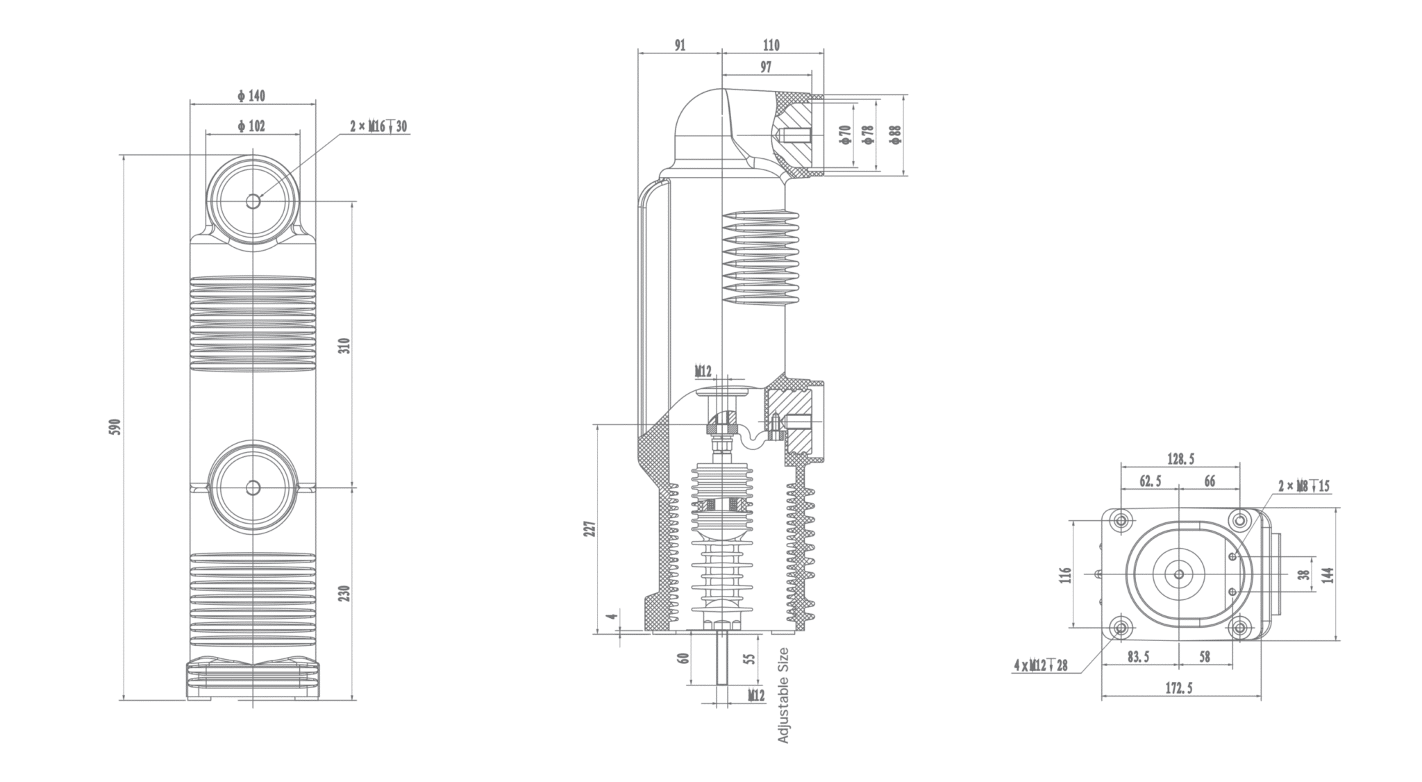
RZP5.028a 24 kV Poste empotrado, 2000A

Dibujo No. Especificación Emparejar la barra de tracción aislada Emparejar el marco de radiación
RZP5.028a EP24/2000-31.5 RAP4.028c. 05 RAP4.028a. 11

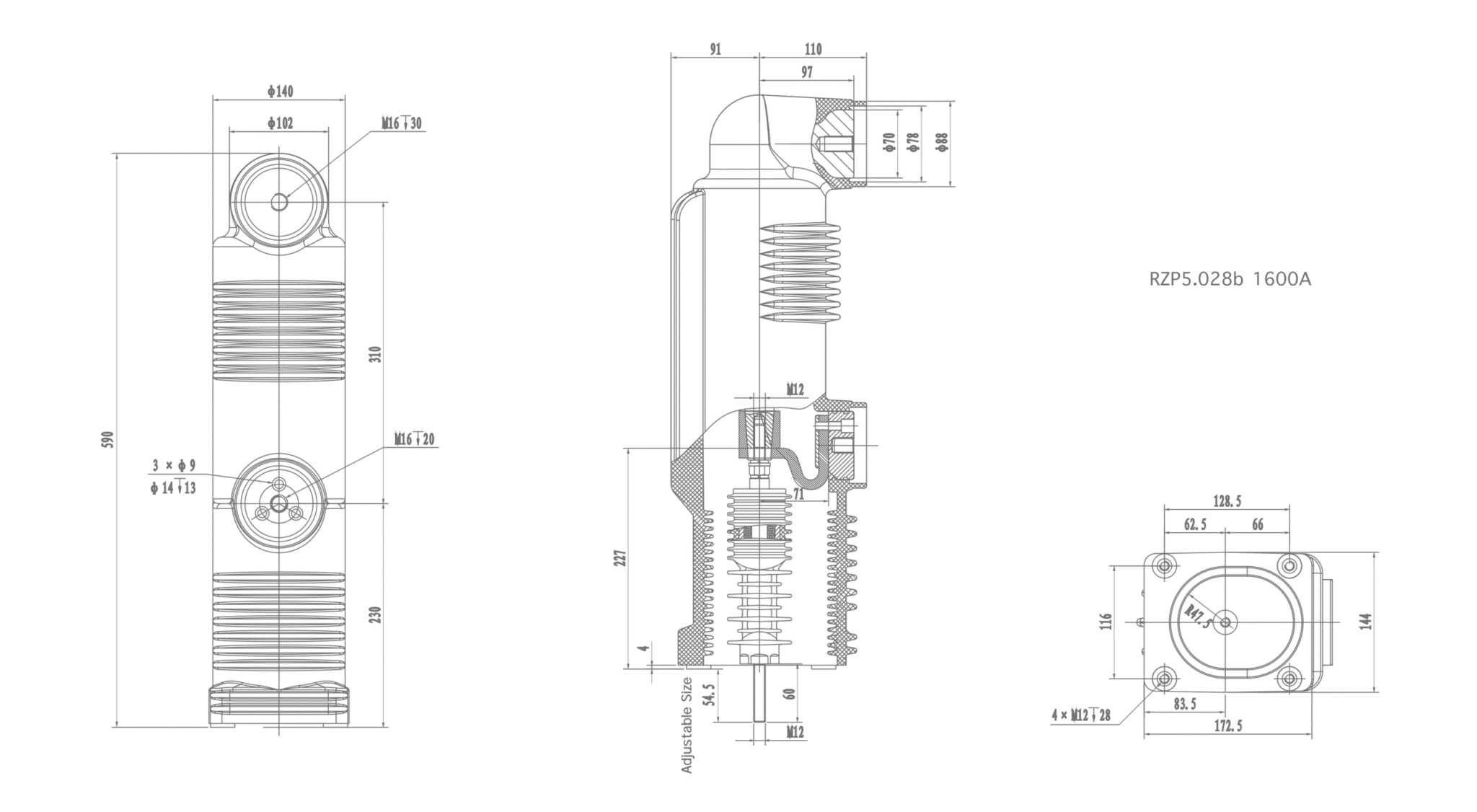
RZP5.028b 24 kV Poste empotrado, 1600A

Dibujo No. Especificación Emparejar la barra de tracción aislada Igualar la conexión flexible Emparejar el manguito de contacto para el brazo
RZP5.028b EP24/1600-31.5 RAP4.028c. 05 RAP4.028b. 01 RAP4.028b. 11

RZP5.028c 24 kV Poste empotrado, 1250A

Dibujo No. Especificación Emparejar la barra de tracción aislada Igualar la conexión flexible Emparejar el manguito de contacto para el brazo
RZP5.028c EP24/1250-31.5 RAP4.028c. 05 RAP4.028c. 01 RAP4.028c. 11

Características

Principales datos técnicos
Parámetros técnicos RZP5.028a RZP5.028b RZP5.028c Unidad
Tensión nominal 24 24 24 kV
Corriente nominal 2000 1600 1250 A
Frecuencia nominal 50 50 50 Hz
Corriente nominal de corte en cortocircuito 31.5 31.5 31.5 kA
Operaciones de interrupción de la corriente de cortocircuito 30 30 30 tiempo
Corriente nominal de cortocircuito 80 80 80 kA
Corriente nominal de pico soportada 80 80 80 kA
Corriente nominal de corta duración (4 s) 31.5 31.5 31.5 kA
Corriente nominal de corte de una batería de condensadores 630※ 630※ 630※ A
Corriente nominal de corte del condensador back-to-back 400※ 400※ 400※ A
Tensión soportada de corta duración (1min) a la frecuencia de alimentación 65 65 65 kV
Tensión soportada por impulso luminoso (pico) 125 125 125 kV
Resistencia del circuito a la fuerza nominal de contacto ≤21 ≤23 ≤25 μΩ
Vida mecánica 10,000 10,000 10,000 tiempo
Fuerza de cierre del contacto debida al fuelle y a la atmósfera 120±50 120±50 120±50 N
Contrafuerza a la carrera nominal del contacto 200±50 200±50 200±50 N
Erosión del límite de contacto 3 3 3 mm
Caducidad 20 20 20 año
Descarga parcial ≤1 ≤1 ≤1 pC
Secuencia de funcionamiento nominal 0-0,3s-co-180s-co 0-0,3s-co-180s-co 0-0,3s-co-180s-co -
Datos mecánicos del circuito equipado con interruptores
Parámetros mecánicos RZP5.028a RZP5.028b RZP5.028c Unidad
Carrera nominal del contacto 12±1 12±1 12±1 mm
Carrera de la conexión de contactos 3±1 3±1 3±1 mm
Velocidad media de apertura 1.1~1.5 1.1~1.5 1.1~1.5 m/s
Velocidad media de cierre 0.4~0.8 0.4~0.8 0.4~0.8 m/s
Presión nominal de funcionamiento del contacto 3100±200 3100±200 3100±200 N
Duración del rebote del cierre del contacto ≤2 ≤2 ≤2 ms
Fuera de la simultaneidad de cierre y apertura de contactos ≤1 ≤1 ≤1 ms
Sobrecarrera máx. ≤2 ≤2 ≤2 mm

“※”Características nominales que deben indicarse en la solicitud

Manual

RZP5.028-24-kV-Embedded-Pole-1600A-1250A-2000A.pdf
Archivo PDF 3,24 MB

Que el mundo conozca Bepto

Bepto es una empresa china líder en aislamiento eléctrico, centrada en el desarrollo de soluciones avanzadas para los futuros sistemas de energía. Apoyamos la seguridad y el crecimiento de la transmisión y la distribución, con socios a largo plazo como State Grid, ABB, Schneider, Siemens y GE. Nuestros servicios llegan a clientes de más de 22 países.

Aplicación

CUALQUIER COSA QUE NO PUDIERAS ENCONTRAR?
Hable con nuestros comerciales

Bepto se centra en el mercado mundial y ofrece a sus clientes productos adecuados para el mercado local:

ENVÍENOS UN CORREO ELECTRÓNICO
Póngase en contacto con nosotros

Inquebrantable en nuestra dedicación a los clientes y ofreciendo innovaciones de vanguardia, Bepto se erige en su firme aliado en el camino que nos aguarda.

Formulario Contacto 2
🔒 Su información está segura y encriptada.
Bepto Logo rojo
Obtenga más beneficios desde Enviar el formulario de información
Formulario de contacto
🔒 Tu información está segura y encriptada.