4000A 超大電流接点ボックス - CHN3-12KV/270 APG エポキシ 63kA/160kA IP67

説明:

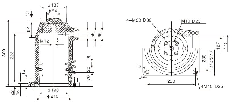
CHN3-12KV/270 超大電流コンタクトボックス:4000A最大容量、63kA/4s短絡、160kAピーク、APGボイドフリー成形、優れた耐熱性、メンテナンスフリーシール。.

用途

  • 超重工業用途:4000Aの超大電流容量が必要な大規模鉄鋼生産施設、アルミニウム製錬コンビナート、石油化学メガプラント、極端な電力需要が必要な連続プロセス産業では63kA/4sの短絡保護と160kAのピーク耐量が必要で、24時間365日の無停電運転が必要です。
  • ハイパースケール・インフラストラクチャ・システム:大規模なクラウドコンピューティング・データセンター、暗号通貨マイニング・ファーム、スーパーコンピューティング施設など、最大4000Aまで設定可能な超大電流への適応性を必要とする施設に最適です。
  • 重要な配電ネットワーク:優れた耐熱性とAPGボイドフリー成形による安定した誘電性能、錫/銀メッキによる耐腐食性と耐候性、湿気や汚染物質からの保護が必要な空港ターミナル電源システム、病院非常用電源グリッド、原子力施設の補助電源。
  • メガスケールの再生可能エネルギー:オフショア風力発電所集電システム、ユーティリティ規模の太陽光発電複合施設、グリッド規模のエネルギー貯蔵施設では、-40℃から+40℃の過酷な環境下での信頼性の高い動作のために、コンパクトな省スペースプロファイルと継ぎ目や点検箇所を削減したシームレスな一体型構造が必要です。

仕様

4000Aの超大電流接触箱- CH3-12KV270 APGのエポキシ63kA160kA IP67

セレクション 図面番号. 定格電流
CHN3-10Q/270
5RA12.012.131
≤4000A

ベプトについて世界に知らせよう

Beptoは電気絶縁における中国のリーディングカンパニーで、将来の電力システムのための先進的なソリューションの開発に注力しています。国家電網(State Grid)、ABB、シュナイダー、シーメンス、GEなどの長期パートナーとともに、送配電の安全性と成長をサポートしています。当社のサービスは22カ国以上のクライアントに提供されています。.

申し込み

何か見つからなかった?
営業担当者と話す

Beptoは世界市場を重視し、現地市場に適した製品をお客様に提供しています:

メールを送る
お問い合わせ

ベプトはお客様への献身を忘れず、最先端のイノベーションを提供することで、これからの旅においてお客様の揺るぎない味方となります。.

フォームコンタクト2
🔒 お客様の情報は安全に暗号化されます。.
ベプト ロゴ レッド
情報フォームを送信して以来、より多くの特典を得る
フォームコンタクト
あなたの情報は安全で暗号化されています。.