FZW28-12 屋外の真空の負荷スイッチ 12kV -境界保護ゼロ順序検出の自動配分

説明:

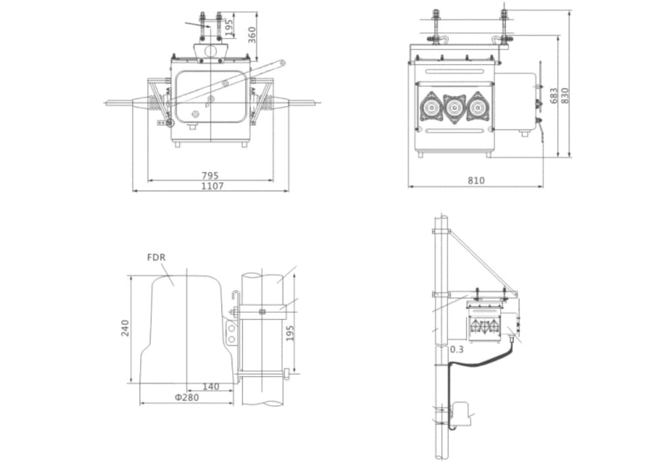
FZW28-12 屋外真空負荷スイッチ:12kV境界保護、ゼロシーケンス/短絡検出、自動配電網、航空ソケットコントローラー、高度2000m、-40℃~+40℃、頻繁な操作。.

用途

アドバンスド FZW28-12 バウンダリ真空負荷スイッチシリーズ:プレミアムFZW28-12屋外AC高電圧境界真空負荷スイッチは、定格電圧12kV、定格周波数50Hz屋外三相AC配電システム、開閉負荷電流および閉路短絡電流用に設計され、FZW28-12真空負荷スイッチとコントローラから構成され、航空ソケットと屋外密閉制御ケーブルを介して電気的に接続されています、異なる中性点接地方法(非接地、アーク抑制コイル接地、低抵抗接地)の配電システムに適しています。.

自動配信と高頻度運用に対応:FZW28-12は、変電所、産業/鉱業企業、都市/農村部の電力網の保護、自動配電網と-40℃〜+40℃で動作し、高度≤2000メートル、レベルIVの汚染(31ミリメートル/ kV沿面距離)、≤10ミリメートル氷の厚さ、地震の強度≤8、自動配電網のためのゼロシーケンス検出と信頼性の高い真空負荷スイッチングソリューションを提供し、頻繁な操作のアプリケーションのための境界保護技術を取り入れています。.

仕様

FZW28-12 屋外の真空の負荷スイッチ 12kV -境界保護ゼロ順序検出の自動配分

FZW28-12 屋外の真空の負荷スイッチ 12kV -境界保護ゼロ順序検出の自動配分

特徴

FZW28-12 屋外用真空負荷スイッチの仕様 FZW28-12 単位
モデル番号 FZW28-12 -
ブランド ベプト断熱システム -
製品タイプ 屋外AC高電圧バウンダリ真空負荷スイッチ -
コア・テクノロジー バウンダリー・プロテクション+ゼロシーケンス検出+自動分配 -
定格電圧 12 キロボルト
定格周波数 50 ヘルツ
システム・タイプ 屋外用三相交流配電システム -
主要機能 開閉負荷電流+閉回路短絡電流 -
コンポーネント FZW28-12 真空負荷スイッチ+コントローラー -
電気的接続 航空用ソケット + 屋外用密閉コントロールケーブル -
検出能力 ミリアンペア零相電流+相間短絡電流(検出範囲内外) -
中性点アースの互換性 非接地+アーク抑制コイル接地+低抵抗接地 -
周囲温度 -40 から +40 °C
相対湿度(1日平均) ≤95 %
相対湿度(月平均) ≤90 %
高度 ≤2000 m
風圧 ≤700 (風速34m/s)
汚染レベル レベルIV(沿面距離31mm/kV) -
氷の厚さ ≤10 mm
震度 ≤8 -
設置場所の条件 火災の危険性なし、爆発の危険性なし、深刻な汚染なし、化学腐食なし、激しい振動なし -
申し込み 変電所、工業/鉱業企業、都市/農村の電力網の保護、自動配電網、頻繁な操作の場所 -
主な利点 境界保護、ゼロシーケンス検出、ミリアンペア検出、航空ソケット接続、自動配電、頻繁な操作、複数の中性点接地方法 -

ベプトについて世界に知らせよう

Beptoは電気絶縁における中国のリーディングカンパニーで、将来の電力システムのための先進的なソリューションの開発に注力しています。国家電網(State Grid)、ABB、シュナイダー、シーメンス、GEなどの長期パートナーとともに、送配電の安全性と成長をサポートしています。当社のサービスは22カ国以上のクライアントに提供されています。.

申し込み

何か見つからなかった?
営業担当者と話す

Beptoは世界市場を重視し、現地市場に適した製品をお客様に提供しています:

メールを送る
お問い合わせ

ベプトはお客様への献身を忘れず、最先端のイノベーションを提供することで、これからの旅においてお客様の揺るぎない味方となります。.

フォームコンタクト2
🔒 お客様の情報は安全に暗号化されます。.
ベプト ロゴ レッド
情報フォームを送信して以来、より多くの特典を得る
フォームコンタクト
あなたの情報は安全で暗号化されています。.