Vakumlu Kesici RZP5.110u - 12kV 3150A Kondansatör Kırma 630A Endüstriyel Sınıf

Açıklama:

RZP5.110u Vakumlu Kesici: Özel 630A kondansatör kesme, 3150A endüstriyel dağıtım, 40kA arıza koruması, 10.000 işlem, 20 yıl güvenilirlik.

Uygulamalar:

  • Güç Faktörü Düzeltme: Endüstriyel güç faktörü düzeltme sistemleri için 630A kapasitör kırma, özel anahtarlama gerektiren reaktif güç kompanzasyonu
  • Motor Çalıştırma Sistemleri: Büyük motor yumuşak başlatma uygulamaları için 3150A vakum kesici, güvenilir koruma gerektiren değişken frekanslı sürücüler
  • Endüstriyel Süreç Kontrolü: Kondansatör anahtarlamalı hassas 40kA arıza koruması gerektiren kimyasal tesisler, gıda işleme için 12kV dağıtım
  • Yardımcı Trafo Merkezleri: Orta gerilim dağıtımı için standart 3150A uygulamaları, 10.000 işlem güvenilirliği gerektiren şebeke otomasyonu

Teknik Özellikler

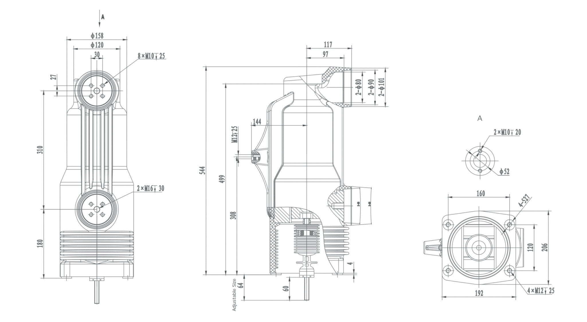
RZP5.110u 12 kV Gömülü Kutup, 3150A

Çizim No. Şartname Yalıtımlı Çekme Çubuğunu Eşleştirin Temaslı Kol Kılıfını Eşleştirin
RZP5.110u EP12/3150-40 RAP4. 076b. 08 RAP4. 110b. 11

Özellikler

Ana Teknik Veriler
Veri Değer Birim
Nominal gerilim 12 kV
Nominal akım 3150 A
Nominal frekans 50 Hz
Nominal kısa devre kesme akımı 40 kA
Kısa devre kesme akımı kesintisi işlemleri 30 zaman
Nominal kısa devre yapma akımı 100 kA
Nominal tepe dayanım akımı 100 kA
Nominal kısa süreli dayanım akımı(4s) 40 kA
Nominal tek kondansatör bankası kesme akımı 630 ※ A
Arka arkaya nominal kondansatör kesme akımı 400 ※ A
Kısa süreli (1 dakika) güç frekansı dayanım gerilimi 48 kV
Aydınlatma darbe dayanım gerilimi (tepe) 75 kV
Nominal temas kuvvetinde devre direnci ≤13 μΩ
Mekanik ömür 10,000 zaman
Körükler ve atmosfer nedeniyle temas kapama kuvveti 250±60 N
Nominal temas strokunda karşı kuvvet 340±60 N
Temas sınırı erozyonu 3 mm
Raf ömrü 20 yıl
kısmi deşarj ≤1 pC
Nominal çalışma sırası 0-0.3s-co-180s-co
Kesicilerle Donatılmış Devrenin Mekanik Verileri
Veri Değer Birim
Nominal kontak stroku 9±1 mm
Kontak bağlantı stroku 3±1 mm
Ortalama açılış hızı 1.3~0.2 m/s
Ortalama kapanış hızı 0.6~0.2 m/s
Kontağın nominal çalışma basıncı 5000±300 N
Temas kapanışının sıçrama süresi ≤2 ms
Kontak kapama ve açma eşzamanlılığının olmaması ≤1 ms
Maks. aşırı hareket ≤2 mm

“※”Talep üzerine verilecek nominal özellikler

El Kitabı

RZP5.110u-12-kV-Embedded-Pole-3150A.pdf
PDF Dosyası 1,02 MB

Dünyanın Bepto'dan Haberdar Olmasını Sağlayın

Bepto, geleceğin güç sistemleri için gelişmiş çözümler geliştirmeye odaklanmış, elektrik yalıtımı alanında lider bir Çin şirketidir. State Grid, ABB, Schneider, Siemens ve GE gibi uzun vadeli ortaklarla iletim ve dağıtım güvenliğini ve büyümesini destekliyoruz. Hizmetlerimiz 22'den fazla ülkedeki müşterilere ulaşmaktadır.

Uygulama

BULAMADIĞIN BIR ŞEY VAR MI?
Satışlarımızla Görüşün

Bepto, küresel pazara odaklanmakta ve müşterilerimize yerel pazara uygun ürünler sunmaktadır:

BIZE BIR E-POSTA GÖNDERIN
Bize Ulaşın

Müşterilerimize olan bağlılığımızdan ve en son yenilikleri sunmaktan vazgeçmeyen Bepto, önümüzdeki yolculukta sadık müttefikiniz olarak duruyor.

Form İletişim 2
🔒 Bilgileriniz güvenlidir ve şifrelenmiştir.
Bepto Logo kırmızı
Bilgi Formunu Gönderdikten Sonra Daha Fazla Avantaj Elde Edin
Form İletişim
🔒 Bilgileriniz güvenli ve şifrelidir.