กล่องสัมผัสแบบมีฉนวนป้องกันระดับความสูงปานกลาง 40.5KV – CH3 40.5-308P/730 3000m 235kV กระแสไฟฟ้ารบกวนฟ้าผ่า 630-2500A

คำอธิบาย:

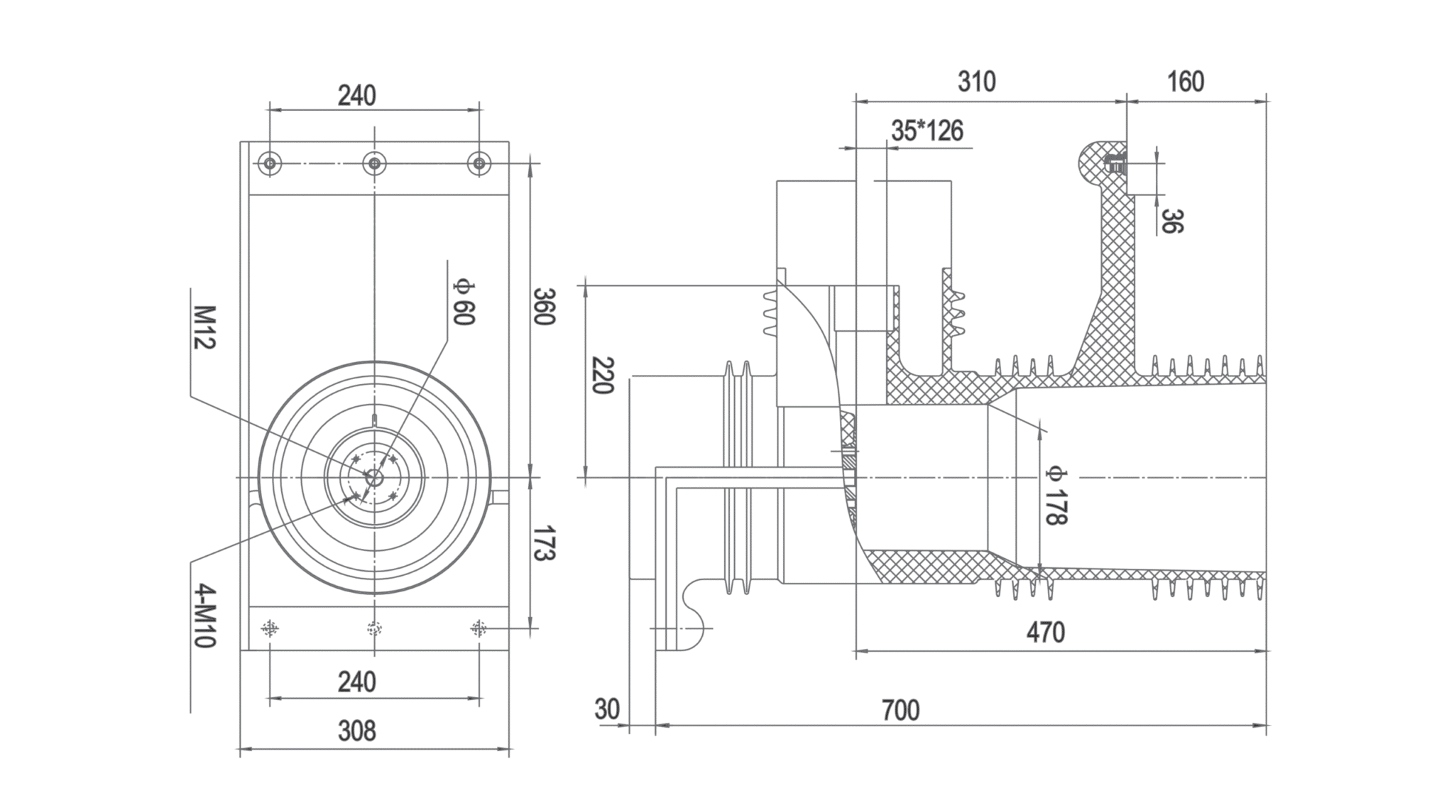
CH3 40.5-308P/730 40.5KV กล่องสัมผัสป้องกันระดับกลาง: รองรับความสูง 3000 เมตร, ทนต่อแรงดันฟ้าผ่า 235kV, ซีรีส์ฉนวนอากาศ 630-2500A, ตู้สวิตช์ KYN28-12/24/61 VD4.

การใช้งาน:

  • ระบบพลังงานความสูงปานกลาง: สถานีไฟฟ้าย่อยในพื้นที่สูงและโครงสร้างพื้นฐานที่ยกสูงที่ระดับความสูง 3000 เมตร พร้อมคุณสมบัติทนต่อแรงดันกระชากฟ้า 235kV (การป้องกันระดับ 27%) และทนต่อแรงดันความถี่ไฟฟ้า 122kV เพื่อประสิทธิภาพการฉนวนที่เชื่อถือได้ในระดับความสูงปานกลาง
  • สวิตช์เกียร์สำหรับสภาพอากาศในพื้นที่สูง: KYN28-12/24/61 VD4 ตู้สวิตช์เกียร์ในอาคารสำหรับพื้นที่สูงที่มีการปล่อยประจุบางส่วน 1.1UR≤3pC และระยะห่างระหว่างส่วนที่นำไฟฟ้า 20 มม./กิโลโวลต์ เพื่อเพิ่มความน่าเชื่อถือ
  • การดำเนินงานในพื้นที่สูงเชิงอุตสาหกรรม: โรงงานผลิตและเหมืองแร่ที่ตั้งอยู่ในระดับความสูงปานกลาง ต้องการกำลังการผลิต 630-2500A พร้อมคุณสมบัติการทนไฟ V1 UL94

ข้อมูลจำเพาะ

กล่องสัมผัสแบบป้องกันสูงระดับกลาง 40.5KV - CH3 40.5-308P730 3000ม 235kV กระแสฟ้า 630-2500A

การคัดเลือก หมายเลขแบบ. ระยะติดตั้ง
CH3 40.5-308P/730
5RA35.012.105 420/430/440

คุณสมบัติ

รายการ มูลค่า หน่วย
แรงดันไฟฟ้าที่กำหนด 40.5 กิโลโวลต์
กระแสไฟฟ้าที่กำหนด 630-2500 A
พีเอฟ 122 กิโลโวลต์/1 นาที
PD 1.1UR≤3 พีซี
แรงดันไฟฟ้าทนต่อแรงกระชากของฟ้าผ่า 235 กิโลโวลต์
พีที 1A2.5
ทีจี 105±5 องศาเซลเซียส
ระดับความร้อนของเปลวไฟ V1 UL94
V0 ความต้องการพิเศษ
ระยะห่างระหว่างส่วนนำไฟฟ้าที่น้อยกว่า 20 mm/kV
สี 3009 RAL

คู่มือ

CH3-40.5-308P730-Shielded-Contact-Box.pdf
ไฟล์ PDF 2.69 เอ็มบี

ให้โลกรู้เกี่ยวกับเบปโต

Bepto เป็นบริษัทชั้นนำของจีนในด้านการฉนวนไฟฟ้า มุ่งเน้นการพัฒนาโซลูชันขั้นสูงสำหรับระบบพลังงานในอนาคต เราสนับสนุนความปลอดภัยและการเติบโตของการส่งและจำหน่ายไฟฟ้า ด้วยพันธมิตรระยะยาวรวมถึง State Grid, ABB, Schneider, Siemens และ GE บริการของเราครอบคลุมลูกค้าในกว่า 22 ประเทศ.

การสมัคร

มีอะไรที่คุณหาไม่เจอหรือเปล่า?
คุยกับทีมขายของเรา

Bepto มุ่งเน้นตลาดโลกและจัดหาผลิตภัณฑ์ที่เหมาะสมกับตลาดท้องถิ่นให้กับลูกค้าของเรา:

ส่งอีเมลถึงเรา
ติดต่อเรา

ไม่เปลี่ยนแปลงในความมุ่งมั่นของเราต่อลูกค้าและการส่งมอบนวัตกรรมล้ำสมัย, Bepto ยืนหยัดเป็นพันธมิตรที่มั่นคงของคุณในการเดินทางข้างหน้า.

แบบฟอร์มติดต่อ 2
🔒 ข้อมูลของคุณปลอดภัยและได้รับการเข้ารหัสแล้ว.
โลโก้ Bepto สีแดง
รับสิทธิประโยชน์เพิ่มเติมหลังจากส่งแบบฟอร์มข้อมูล
แบบฟอร์มติดต่อ
🔒 ข้อมูลของคุณปลอดภัยและได้รับการเข้ารหัสแล้ว.