สวิตช์โหลดสูญญากาศกลางแจ้ง FZW32-12 12kV/40.5kV 1250A – เสาติดตั้งแบบแยกแรงดันสูง

คำอธิบาย:

สวิตช์โหลดสุญญากาศกลางแจ้ง FZW32-12: 12kV/40.5kV 1250A ฉนวนแรงดันสูง LBS, ดับอาร์คด้วยสุญญากาศ, ตัดขาดแบบมองเห็นได้, สแตนเลส, ติดตั้งบนเสา, สำหรับระบบไฟฟ้าในชนบท/เมือง, ไม่ต้องบำรุงรักษา.

การใช้งาน:

สวิตช์โหลดสูญญากาศกลางแจ้งรุ่น FZW32-12/40.5kV ขั้นสูง: สวิตช์โหลดสูญญากาศแยกแรงดันสูงสำหรับใช้งานกลางแจ้ง ออกแบบมาสำหรับระบบจ่ายไฟสามเฟส AC 50Hz ที่มีแรงดันไฟฟ้า 40.5kV และกระแสไฟฟ้า 1250A ตามมาตรฐาน GB3804 และ IEC มีคุณสมบัติการดับอาร์คสูญญากาศที่ไม่มีความเสี่ยงต่อการระเบิดและการทำงานที่ไม่ต้องบำรุงรักษา ประกอบด้วยมีดแยกที่เชื่อมต่อกับห้องดับอาร์คสูญญากาศสามเฟสซึ่งให้การแยกที่มองเห็นได้เมื่อเปิดผลิตจากชิ้นส่วนตัวเครื่องสแตนเลสสตีลและโครงแชสซีสแตนเลสสตีลหรือเหล็กกล้าคาร์บอนชุบสังกะสีแบบจุ่มร้อน พร้อมเคลือบสารป้องกันรังสียูวี เพื่อการใช้งานกลางแจ้งได้อย่างน่าเชื่อถือ ใช้กลไกสปริงโอเวอร์เซ็นเตอร์สำหรับการปิด/เปิดมีดแยกที่มีระบบกลไกรวดเร็ว เพื่อรับประกันความเร็วในการเปิดห้องอาร์ค.

พร้อมสำหรับการกระจายในโครงข่ายเมืองและชนบท: FZW32-12/40.5kV ประกอบด้วยระบบติดตั้งแบบสองขั้ว พร้อมตัวเลือกการควบคุมไฟฟ้าหรือควบคุมระยะไกล ให้กำลังการตัดกระแสไฟฟ้าขนาดใหญ่ ประสิทธิภาพการทำงานที่ปลอดภัยและเชื่อถือได้ อายุการใช้งานทางไฟฟ้าที่ยาวนาน พร้อมความสามารถในการทำงานบ่อยครั้ง ใช้กันอย่างแพร่หลายในการเปลี่ยนแปลงระบบไฟฟ้าในชนบท การกระจายระบบไฟฟ้าในเมือง สายไฟฟ้ากระจายในทางรถไฟที่ต้องการสวิตช์โหลดสูญญากาศแบบแยกแรงดันสูงติดตั้งบนเสาแบบมีจุดตัดที่มองเห็นได้ เทคโนโลยีสูญญากาศที่ไม่ต้องบำรุงรักษา และประสิทธิภาพที่เชื่อถือได้.

ข้อมูลจำเพาะ

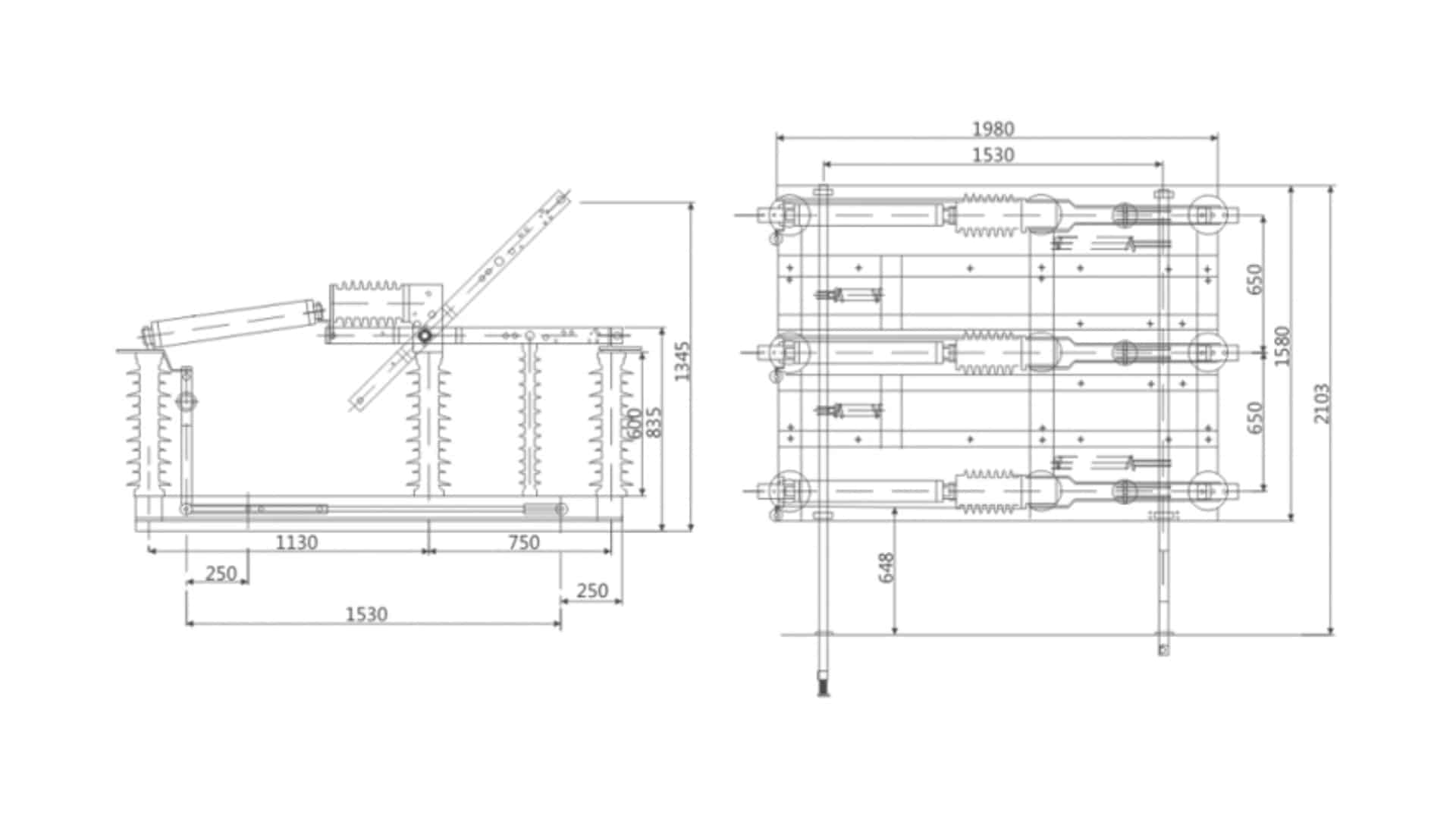
FZW32-12 สวิตช์โหลดสูญญากาศกลางแจ้ง 12kV-40.5kV 1250A - เสาติดตั้งแบบแยกแรงดันสูง

คุณสมบัติ

FZW32-12/40.5kV สวิตช์โหลดสูญญากาศกลางแจ้ง ข้อมูลจำเพาะ พารามิเตอร์ทางเทคนิค หน่วย
หมายเลขรุ่น FZW32-12 / FZW32-40.5
แบรนด์ ระบบฉนวนกันความร้อน Bepto
ประเภทสินค้า สวิตช์โหลดสุญญากาศแยกแรงดันสูงสำหรับใช้งานกลางแจ้ง
ประเภทการติดตั้ง ติดตั้งบนเสา (ชนิดเสาคู่)
แรงดันไฟฟ้าที่กำหนด 12 / 40.5 กิโลโวลต์
กระแสไฟฟ้าที่กำหนด 1250 A
ความถี่ที่กำหนด 50 เฮิซ
จำนวนเฟส สามเฟส
การปฏิบัติตามมาตรฐาน GB3804, มาตรฐาน IEC
เทคโนโลยีการดับอาร์ค การดับไฟฟ้าด้วยอาร์คสุญญากาศ
ความเสี่ยงจากการระเบิด ไม่มี (เทคโนโลยีสุญญากาศ)
การบำรุงรักษา ไม่ต้องบำรุงรักษา
มีดแยก เชื่อมต่อกับห้องดับไฟฟ้าอาร์คสุญญากาศสามเฟส
กระดูกหักจากการแยกตัว กระดูกหักแยกชัดเจนเมื่อเปิด
วัสดุตัวเครื่อง ชิ้นส่วนสแตนเลสสตีล
วัสดุตัวถัง สแตนเลส หรือเหล็กกล้าคาร์บอนชุบสังกะสีแบบจุ่มร้อน
สารเคลือบป้องกัน เคลือบป้องกันรังสียูวี
กลไกการดำเนินงาน กลไกสปริงโอเวอร์เซ็นเตอร์
การเปิดห้องอาร์ค กลไกความเร็วในการเปิดอย่างรวดเร็ว
การเชื่อมต่อสามเฟส การเปิดห้องอาร์คแบบซิงโครไนซ์
ฟังก์ชันการดำเนินงาน การควบคุมด้วยไฟฟ้า, การควบคุมด้วยรีโมทคอนโทรล
ขีดจำกัดในการรองรับ กำลังตัดขนาดใหญ่
อายุการใช้งานทางไฟฟ้า อายุการใช้งานยาวนาน
ความถี่ในการปฏิบัติการ สามารถใช้งานได้บ่อย
การสมัคร ระบบโครงข่ายไฟฟ้าชนบท, ระบบโครงข่ายไฟฟ้าเมือง, สายส่งไฟฟ้าสำหรับรถไฟ

ให้โลกรู้เกี่ยวกับเบปโต

Bepto เป็นบริษัทชั้นนำของจีนในด้านการฉนวนไฟฟ้า มุ่งเน้นการพัฒนาโซลูชันขั้นสูงสำหรับระบบพลังงานในอนาคต เราสนับสนุนความปลอดภัยและการเติบโตของการส่งและจำหน่ายไฟฟ้า ด้วยพันธมิตรระยะยาวรวมถึง State Grid, ABB, Schneider, Siemens และ GE บริการของเราครอบคลุมลูกค้าในกว่า 22 ประเทศ.

การสมัคร

มีอะไรที่คุณหาไม่เจอหรือเปล่า?
คุยกับทีมขายของเรา

Bepto มุ่งเน้นตลาดโลกและจัดหาผลิตภัณฑ์ที่เหมาะสมกับตลาดท้องถิ่นให้กับลูกค้าของเรา:

ส่งอีเมลถึงเรา
ติดต่อเรา

ไม่เปลี่ยนแปลงในความมุ่งมั่นของเราต่อลูกค้าและการส่งมอบนวัตกรรมล้ำสมัย, Bepto ยืนหยัดเป็นพันธมิตรที่มั่นคงของคุณในการเดินทางข้างหน้า.

แบบฟอร์มติดต่อ 2
🔒 ข้อมูลของคุณปลอดภัยและได้รับการเข้ารหัสแล้ว.
โลโก้ Bepto สีแดง
รับสิทธิประโยชน์เพิ่มเติมหลังจากส่งแบบฟอร์มข้อมูล
แบบฟอร์มติดต่อ
🔒 ข้อมูลของคุณปลอดภัยและได้รับการเข้ารหัสแล้ว.