Unwavering in our dedication to customers and delivering cutting-edge innovations,Bepto stands as your steadfast ally on the journey ahead.
LB5-66kV Oil-Immersed Current Transformer High Voltage CT: Dual-ratio 2×25-2×1000/5A with metering tap, 0.2S/0.2/0.5/P accuracy class, fully sealed porcelain tank oil-paper insulated chain structure, three or four secondary windings, 72.5/140/325kV insulation level, 2.7-50kA thermal current, 6.8-125kA dynamic current, 50Hz, ideal for 66kV power systems.
Advanced LB5-66kV Oil-Immersed High Voltage Current Transformer: Fully sealed porcelain tank oil-paper insulated chain structure CT designed for 50Hz and 66kV power systems, rated insulation level 72.5/140/325kV with 1.8-2.5cm/kV creepage distance, suitable for altitudes below 1000m and ambient temperature -30°C to +40°C, dual-ratio configuration with primary winding divided into two sections enabling two current ratios (2×25-2×1000/5A) through different terminal connections on oil conservator, innovative metering tap design providing additional current ratio flexibility for precise revenue metering applications, three or four secondary windings offering flexible accuracy class combinations including 0.2S/0.2/0.5/P with ALF (Accuracy Limit Factor) 15 for protection, rated output 30-50VA, rated short-time thermal current 2.7-50kA and dynamic current 6.8-125kA ensuring superior short-circuit protection.
Superior Oil-Immersed Design and Metering Tap Flexibility: LB5-66kV features proven oil-immersed oil-paper insulation technology ensuring reliable high voltage operation with excellent dielectric strength and thermal stability, robust fully sealed porcelain tank construction with metal expander on oil conservator compensating for oil volume changes, innovative metering tap configuration allowing dedicated high-precision metering ratios (2×300/5, 2×400/5, 2×500/5) separate from main current ratios for enhanced billing accuracy, suitable for 66kV substations, high voltage switchgear, transmission systems, power distribution networks, industrial high voltage facilities, and applications requiring precise current and energy measurement from 25A to 1000A with oil-immersed reliability and metering tap flexibility for 66kV high voltage power systems.
| No. | Name |
|---|---|
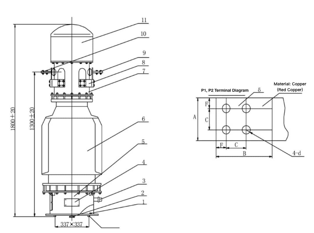
| 1 | Grounding bolt |
| 2 | Cable clamp |
| 3 | Oil drain valve |
| 4 | Nameplate |
| 5 | Base |
| 6 | Porcelain bushing |
| 7 | Oil tank |
| 8 | Connecting plate |
| 9 | Primary terminal P1 |
| 10 | Primary terminal P2 |
| 11 | Expansion device |
| Rated primary current (A) | A | B | C | F | d | δ |
|---|---|---|---|---|---|---|
| 2 × 50 – 2 × 400 | 60 | 65 | 30 | 15 | 14 | 10 |
| 2 × 500 – 2 × 800 | 80 | 85 | 40 | 20 | 16 | 12 |
| LB5-66kV Current Transformer Specifications | Parameter | Unit |
|---|---|---|
| Brand | Bepto Insulation Systems | – |
| Model Number | LB5-66kV Series | – |
| Category | Switchgear & HV CT (High Voltage Current Transformer) | – |
| Product Type | 66kV Fully Sealed Porcelain Tank Oil-Immersed Oil-Paper Insulated Chain Structure Current Transformer with Dual-Ratio 2×25-2×1000/5A, Metering Tap, Three or Four Secondary Windings, 0.2S/0.2/0.5/P Accuracy Class, 72.5/140/325kV Insulation for Current & Energy Measurement and Relay Protection | – |
| Core Technology | Fully Sealed Porcelain Tank Oil-Immersed Oil-Paper Insulated Chain Structure + 66kV High Voltage Design + Dual-Ratio Configuration (Primary Winding Divided into Two Sections) + Innovative Metering Tap Design + Three or Four Secondary Windings + Rated Insulation Level 72.5/140/325kV + Creepage Distance 1.8-2.5cm/kV + Rated Frequency 50Hz + Rated Current Ratio 2×25-2×1000/5A + Metering Tap Ratios (2×300/5, 2×400/5, 2×500/5) + Ambient Temperature -30°C to +40°C + Altitude Below 1000m + Flexible Accuracy Classes (0.2S, 0.2, 0.5, P) + ALF 15 for Protection + Rated Output 30-50VA + Rated Short-Time Thermal Current 2.7-50kA + Dynamic Current 6.8-125kA + Main Body in Porcelain Tank Fixed on Base + Secondary Outlets by Small Porcelain Bushings + Metal Expander on Oil Conservator + Proven Oil-Immersed Technology + Robust Porcelain Tank Construction | – |
| Rated Voltage | 66 | kV |
| Rated Current Ratio | 2×25~2×750/5 | A |
| Metering Tap Ratios | 2×600/5 (metering tap) / 2×300/5<br>2×750/5 (metering tap) / 2×400/5<br>2×1000/5 (metering tap) / 2×500/5 | A |
| Rated Frequency | 50 | Hz |
| Accuracy Classes | P, 0.5, 0.2, 0.2S | – |
| ALF (Accuracy Limit Factor) | 15 | – |
| Rated Output | 30-50 | VA |
| Rated Short-Time Thermal Current | 2.7–50 | kA |
| Dynamic Current | 6.8–125 | kA |
| Insulation Level | 72.5/140/325 | kV |
| Creepage Distance | 1.8-2.5 | cm/kV |
| Oil Weight | 100 | kg |
| Total Weight | 440 | kg |
| Ambient Temperature | -30°C to +40°C | °C |
| Altitude | Below 1000m | m |
| Structure Type | Fully Sealed Porcelain Tank Oil-Immersed Oil-Paper Insulated Chain Structure | – |
| Secondary Windings | Three or Four Windings | – |
| Voltage Level | High Voltage (66kV) | – |
| Installation Type | Outdoor/Indoor | – |
| Phase | Single Phase | – |
| FOB Port | Ningbo/Shanghai | – |
| Terms of Payment | Western Union, T/T, Paypal | – |
| 66kV High Voltage | Yes (66kV Rated Voltage) | – |
| Oil-Immersed | Yes (Oil-Immersed Oil-Paper Insulation) | – |
| Porcelain Tank | Yes (Porcelain Tank Construction) | – |
| Chain Structure | Yes (Chain Structure Design) | – |
| Dual-Ratio Configuration | Yes (Primary Winding Divided into Two Sections) | – |
| Metering Tap | Yes (Dedicated Metering Tap for High-Precision Billing) | – |
| Three/Four Secondary Windings | Yes (Three or Four Secondary Windings) | – |
| 50Hz | Yes (Rated Frequency 50Hz) | – |
| 66kV Rated Voltage | Yes (Rated Voltage 66kV) | – |
| 72.5/140/325kV Insulation | Yes (Rated Insulation Level 72.5/140/325kV) | – |
| 1.8-2.5cm/kV Creepage | Yes (Creepage Distance 1.8-2.5cm/kV) | – |
| -30°C to +40°C Ambient | Yes (Ambient Temperature -30°C to +40°C) | – |
| Below 1000m Altitude | Yes (Suitable for Altitudes Below 1000m) | – |
| 2×25-2×1000/5A Ratio | Yes (Dual-Ratio 2×25-2×1000/5A) | – |
| 0.2S Accuracy Class | Yes (0.2S Metering Accuracy Class Available) | – |
| 0.2 Accuracy Class | Yes (0.2 Metering Accuracy Class Available) | – |
| 0.5 Accuracy Class | Yes (0.5 Metering Accuracy Class Available) | – |
| P Protection Class | Yes (P Protection Accuracy Class with ALF 15) | – |
| 2.7-50kA Thermal Current | Yes (Rated Short-Time Thermal Current 2.7-50kA) | – |
| 6.8-125kA Dynamic Current | Yes (Dynamic Current 6.8-125kA) | – |
| Metal Expander | Yes (Metal Expander on Oil Conservator) | – |
| Small Porcelain Bushings | Yes (Secondary Outlet Lines Led Out by Small Porcelain Bushings) | – |
| Configuration Type | Main Current Ratio | Metering Tap Ratio | Application | Advantage |
|---|---|---|---|---|
| Standard Dual-Ratio | 2×25-2×750/5 | None | General applications | Wide range flexibility 50-1500A |
| Metering Tap 600/300 | 2×600/5 (1200/5) | 2×300/5 (600/5) | Medium current with dedicated metering | Separate metering tap for billing accuracy |
| Metering Tap 750/400 | 2×750/5 (1500/5) | 2×400/5 (800/5) | High current with dedicated metering | Independent metering for revenue applications |
| Metering Tap 1000/500 | 2×1000/5 (2000/5) | 2×500/5 (1000/5) | Very high current with dedicated metering | Dual-purpose: main load + precise billing |
| Metering Tap Feature | Description | Benefit |
|---|---|---|
| Dedicated Metering Winding | Separate tap for revenue metering | Enhanced billing accuracy independent of main current |
| Dual Current Ratio Flexibility | Two ratios in one transformer | Reduces inventory and installation costs |
| High-Precision Metering | 0.2S/0.2 class for metering tap | Meets stringent revenue metering requirements |
| Independent Operation | Metering tap operates independently | Main ratio for monitoring, tap for billing |
| Cost-Effective Solution | Single transformer for dual purposes | Eliminates need for separate metering CT |
| Accuracy Class Combination | Winding 1 | Winding 2 | Winding 3 | Winding 4 | Application | Current Ratio |
|---|---|---|---|---|---|---|
| P/P/0.5 | P (ALF 15) | P (ALF 15) | 0.5 | – | Dual protection + standard metering | All ratios |
| P/P/0.2 | P (ALF 15) | P (ALF 15) | 0.2 | – | Dual protection + high-precision metering | All ratios |
| P/P/0.2S | P (ALF 15) | P (ALF 15) | 0.2S | – | Dual protection + revenue metering | All ratios |
| P/P/0.5/0.2S | P (ALF 15) | P (ALF 15) | 0.5 | 0.2S | Dual protection + dual metering (standard + revenue) | Metering tap ratios |
| Standard dual-ratio configuration (2×25–2×750/5) | ||||
| Accuracy Class Combination | Rated Output (VA) | Thermal Current (kA) | Dynamic Current (kA) | Creepage Distance (cm/kV) |
| P/P/0.5 | 50 | 2.7-50 | 6.8-125 | 1.8 |
| P/P/0.2 | 50 | 2.7-50 | 6.8-125 | 1.8 |
| P/P/0.2S | 50 | 2.7-50 | 6.8-125 | 1.8 |
| P/P/0.5/0.2S | 50 | 2.7-50 | 6.8-125 | 1.8 |
| Metering tap configuration (2×600/5 / 2×300/5) | ||||||
| Accuracy Class Combination | Rated Output P (VA) | Rated Output 0.5 (VA) | Rated Output 0.2S (VA) | Thermal Current (kA) | Dynamic Current (kA) | Creepage Distance (cm/kV) |
| P/P/0.5 | 50 | – | – | 25-50 | 62.5-125 | 1.8 |
| P/P/0.2 | 50 | 30 | – | 25-50 | 62.5-125 | 1.8 |
| P/P/0.2S | 50 | 30 | – | 25-50 | 62.5-125 | 1.8 |
| P/P/0.5/0.2S | – | 40 | 30 | 25-50 | 62.5-125 | 1.8 |
| Metering tap configuration (2×750/5 / 2×400/5) | ||||||
| Accuracy Class Combination | Rated Output P (VA) | Rated Output 0.5 (VA) | Rated Output 0.2S (VA) | Thermal Current (kA) | Dynamic Current (kA) | Creepage Distance (cm/kV) |
| P/P/0.5 | 50 | – | – | 25-50 | 62.5-125 | 2.5 |
| P/P/0.2 | 50 | 30 | – | 25-50 | 62.5-125 | 2.5 |
| P/P/0.2S | 50 | 30 | – | 25-50 | 62.5-125 | 2.5 |
| P/P/0.5/0.2S | – | 40 | 30 | 25-50 | 62.5-125 | 2.5 |
| Metering tap configuration (2×1000/5 / 2×500/5) | ||||||
| Accuracy Class Combination | Rated Output P (VA) | Rated Output 0.5 (VA) | Rated Output 0.2S (VA) | Thermal Current (kA) | Dynamic Current (kA) | Creepage Distance (cm/kV) |
| P/P/0.5 | 50 | – | – | 25-50 | 62.5-125 | 2.5 |
| P/P/0.2 | 50 | 30 | – | 25-50 | 62.5-125 | 2.5 |
| P/P/0.2S | 50 | 30 | – | 25-50 | 62.5-125 | 2.5 |
| P/P/0.5/0.2S | – | 40 | 30 | 25-50 | 62.5-125 | 2.5 |
| Creepage Distance (cm/kV) | Current Ratio Configuration | Total Creepage Distance (cm) | Application |
|---|---|---|---|
| 1.8 | 2×25-2×750/5, 2×600/5/2×300/5 | 118.8 | Standard pollution environments |
| 2.5 | 2×750/5/2×400/5, 2×1000/5/2×500/5 | 165 | Enhanced pollution resistance for high current |
| Oil-Immersed Feature | Description | Benefit |
|---|---|---|
| Proven Technology | Decades of reliable high voltage operation | Time-tested reliability for 66kV applications |
| Superior Dielectric Strength | Oil-paper insulation combination | Excellent high voltage withstand capability |
| Self-Healing Properties | Oil provides self-healing mechanism | Enhanced reliability and longevity |
| Excellent Thermal Stability | Oil provides superior heat dissipation | Stable operation under high loads and short-circuits |
| Fully Sealed Design | Hermetically sealed porcelain tank | Protection from environmental contamination |
| Metal Expander | Compensates for oil thermal expansion | Maintains internal pressure stability |
| High Short-Circuit Capacity | Oil cooling enables high thermal ratings | 2.7-50kA thermal, 6.8-125kA dynamic current |
| Winding Configuration | Number of Secondary Windings | Typical Accuracy Combination | Application Scenario |
|---|---|---|---|
| Three Windings | 3 | P/P/0.5 or P/P/0.2S | Dual protection + single metering |
| Four Windings | 4 | P/P/0.5/0.2S | Dual protection + dual metering (standard + revenue) |
| Application Scenario | Typical Current Range | Key Advantage | Typical Installation |
|---|---|---|---|
| 66kV Substations | 50-2000A | Oil-immersed reliability with metering tap flexibility | Transmission and distribution substations |
| High Voltage Switchgear | 600-2000A | Proven oil-immersed technology for high voltage | 66kV switchgear installations |
| Transmission Systems | 800-2000A | High thermal capacity with metering tap for billing | Main transmission lines with revenue metering |
| Power Distribution Networks | 50-1500A | Wide range with dedicated metering tap | Urban and industrial distribution with billing |
| Industrial High Voltage Facilities | 600-1500A | Robust oil-immersed construction with dual protection | Heavy industrial power systems |
Bepto is a leading Chinese company in electrical insulation, focused on developing advanced solutions for future power systems. We support transmission and distribution safety and growth, with long-term partners including State Grid, ABB, Schneider, Siemens, and GE. Our services reach clients in over 22 countries.
Bepto focuses on the global market and provides our clients with products suitable for the local market:
Unwavering in our dedication to customers and delivering cutting-edge innovations,Bepto stands as your steadfast ally on the journey ahead.