Unwavering in our dedication to customers and delivering cutting-edge innovations,Bepto stands as your steadfast ally on the journey ahead.
LZW32-12 Outdoor Pole Mounted Current Transformer for ZW32 Vacuum Circuit Breaker: 12kV dry type CT, 50-1000A primary current, 0.2S/0.5/5P/10P accuracy class, 12/42/75kV insulation level, 3.75-20VA burden capacity, designed for ZW32 series high voltage vacuum circuit breaker, 5A/1A secondary, 50-60Hz, GB1208 IEC60044-1.
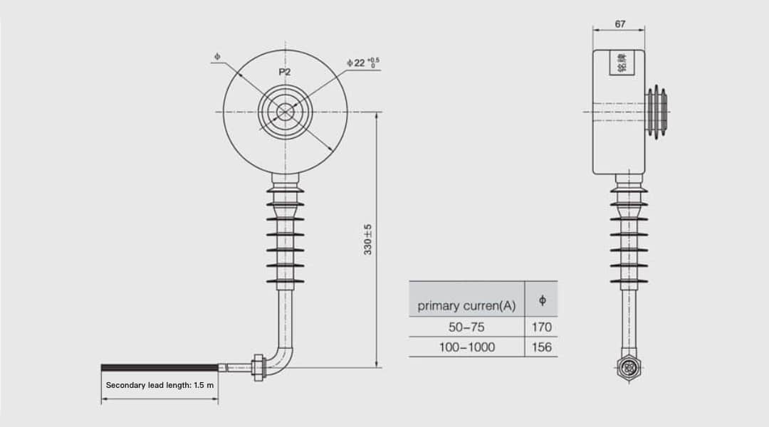
Advanced LZW32-12 Pole Mounted Current Transformer: Outdoor single-phase dry type CT specifically designed for use with ZW32 series high voltage vacuum circuit breakers conforming to GB1208 and IEC60044-1 standards, rated insulation level 12/42/75kV, rated frequency 50Hz or 60Hz, rated secondary current 5A or 1A, ambient temperature -25°C to +40°C, rated primary current range 50-1000A with multiple ratio options (50-75-100A, 75-100-150A, 100-150-200A, 150-200-300A, 300-400-500A, 400-500-600A, 500-600-800A, 600-800-1000A), flexible accuracy class combinations including 0.2S/0.5/5P/10P with burden capacity 3.75-20VA, compact dry type construction ensuring reliable outdoor performance without oil maintenance requirements.
Perfect Integration with ZW32 Vacuum Circuit Breaker: LZW32-12 features specialized pole mounted design optimized for seamless integration with ZW32 series high voltage vacuum circuit breakers, outdoor dry type construction eliminating oil leakage risks and reducing maintenance requirements, compact lightweight design ideal for pole mounted switch installations, multiple current ratio options providing flexible primary current selection without transformer replacement, suitable for 12kV pole mounted switchgear, outdoor distribution automation systems, rural electrification networks, overhead line protection, recloser applications, and ZW32 vacuum circuit breaker installations requiring reliable outdoor current measurement with maintenance-free dry type technology.
| LZW32-12 Current Transformer Specifications | Parameter | Unit |
|---|---|---|
| Brand | Bepto Insulation Systems | – |
| Model Number | LZW32-12 | – |
| Category | Switchgear & HV CT (High Voltage Current Transformer) | – |
| Product Type | 12kV Outdoor Single-Phase Dry Type Pole Mounted Current Transformer for ZW32 Series High Voltage Vacuum Circuit Breaker with 50-1000A Range, 0.2S/0.5/5P/10P Accuracy Class, 12/42/75kV Insulation, 3.75-20VA Burden for Metering & Protection | – |
| Core Technology | Outdoor Single-Phase Dry Type Pole Mounted Design + Specifically Designed for ZW32 Series High Voltage Vacuum Circuit Breaker + 12kV Design + GB1208 and IEC60044-1 Standards Compliant + Rated Insulation Level 12/42/75kV + Rated Frequency 50Hz or 60Hz + Rated Secondary Current 5A or 1A + Ambient Temperature -25°C to +40°C + Rated Primary Current Range 50-1000A + Multiple Current Ratio Options + Flexible Accuracy Classes (0.2S/0.5/5P/10P) + Burden Capacity 3.75-20VA + Compact Dry Type Construction + Oil-Free Maintenance-Free Design + Reliable Outdoor Performance + Seamless ZW32 Integration | – |
| Power (Voltage) | 12kV | – |
| Rated Voltage | 12kV | – |
| Rated Insulation Level | 12/42/75 | kV |
| Rated Frequency | 50Hz or 60Hz | Hz |
| Rated Secondary Current | 5A or 1A | A |
| Rated Primary Current Range | 50-1000 | A |
| Ambient Temperature | -25°C to +40°C | °C |
| Structure Type | Outdoor Single-Phase Dry Type Pole Mounted | – |
| Installation Type | Outdoor Pole Mounted | – |
| Phase | Single Phase | – |
| Compatible Equipment | ZW32 Series High Voltage Vacuum Circuit Breaker | – |
| Standards Compliance | GB1208 and IEC60044-1 | – |
| FOB Port | Ningbo/Shanghai | – |
| Terms of Payment | Western Union, T/T, Paypal | – |
| Outdoor Dry Type | Yes (Outdoor Single-Phase Dry Type Construction) | – |
| 12kV Design | Yes (12kV Rated Voltage) | – |
| Pole Mounted | Yes (Pole Mounted Switch Design) | – |
| For ZW32 Vacuum Circuit Breaker | Yes (Specifically Designed for ZW32 Series) | – |
| Dry Type Construction | Yes (Oil-Free Maintenance-Free Design) | – |
| Multiple Current Ratios | Yes (8 Different Current Ratio Options) | – |
| 50Hz or 60Hz | Yes (Rated Frequency 50Hz or 60Hz) | – |
| 12kV Rated Voltage | Yes (Rated Voltage 12kV) | – |
| GB1208 Compliant | Yes (In Accordance with GB1208 Standard) | – |
| IEC60044-1 Compliant | Yes (In Accordance with IEC60044-1 Standard) | – |
| 12/42/75kV Insulation | Yes (Rated Insulation Level 12/42/75kV) | – |
| 5A or 1A Secondary | Yes (Rated Secondary Current 5A or 1A) | – |
| -25°C to +40°C Ambient | Yes (Ambient Temperature -25°C to +40°C) | – |
| 50-1000A Primary Range | Yes (Rated Primary Current Range 50-1000A) | – |
| 0.2S Accuracy Class | Yes (0.2S Metering Accuracy Class Available) | – |
| 0.5S Accuracy Class | Yes (0.5S Metering Accuracy Class Available) | – |
| 5P Protection Class | Yes (5P Protection Accuracy Class Available) | – |
| 10P Protection Class | Yes (10P Protection Accuracy Class Available) | – |
| 3.75-20VA Burden Capacity | Yes (Burden Capacity 3.75-20VA) | – |
| Rated Primary Current (A) | 0.2(S) (VA) | 0.5(S) (VA) | 5P (VA) | 10P (VA) | Application |
|---|---|---|---|---|---|
| 50–75–100 | 3.75 | 5 | 5 | 10 | Low-medium current with high-precision metering |
| 75–100–150 | 3.75 | 5 | 5 | 10 | Low-medium current with high-precision metering |
| 100–150–200 | 5 | 7.5 | 7.5 | 10 | Medium current with high-precision metering |
| 150–200–300 | 7.5 | 7.5 | 7.5 | 10 | Medium current with standard metering |
| 200–300–400 | – | – | – | – | Not available |
| 300–400–500 | – | 10 | 10 | 15 | Medium-high current with standard metering |
| 400–500–600 | 10 | 10 | 10 | 15 | High current with standard metering |
| 500–600–800 | 10 | 10 | 10 | 15 | High current with standard metering |
| 600–800–1000 | – | 15 | 15 | 20 | Very high current with standard metering |
| Current Ratio Configuration | Primary Current Options | Flexibility Advantage | Typical Application |
|---|---|---|---|
| 50–75–100A | Three ratio options | Low current flexibility without replacement | Small load distribution networks |
| 75–100–150A | Three ratio options | Low-medium current flexibility | Rural distribution networks |
| 100–150–200A | Three ratio options | Medium current flexibility | Urban distribution networks |
| 150–200–300A | Three ratio options | Medium-high current flexibility | Industrial distribution networks |
| 300–400–500A | Three ratio options | High current flexibility | Large industrial loads |
| 400–500–600A | Three ratio options | High current flexibility | Large capacity distribution |
| 500–600–800A | Three ratio options | Very high current flexibility | Heavy industrial applications |
| 600–800–1000A | Three ratio options | Maximum current flexibility | Maximum capacity distribution |
| Accuracy Class | Application | Current Range Availability | Burden Capacity |
|---|---|---|---|
| 0.2S | High-precision metering, revenue billing, energy measurement | 50-100A, 75-150A, 100-200A, 150-300A, 400-600A, 500-800A | 3.75-10VA |
| 0.5S | Standard metering, general billing, monitoring | 50-1000A (all ranges) | 5-15VA |
| 5P | Relay protection, overcurrent protection | 50-1000A (all ranges) | 5-15VA |
| 10P | General protection, system protection | 50-1000A (all ranges) | 10-20VA |
| Burden Capacity | Current Range | Typical Accuracy Classes | Application |
|---|---|---|---|
| 3.75VA | 50-150A | 0.2S | High-precision metering for low current |
| 5VA | 50-300A | 0.2S, 0.5S, 5P | Metering and protection for low-medium current |
| 7.5VA | 100-300A | 0.5S, 5P | Standard metering and protection for medium current |
| 10VA | 50-800A | 0.2S, 0.5S, 5P, 10P | Comprehensive metering and protection |
| 15VA | 300-1000A | 0.5S, 5P, 10P | High current metering and protection |
| 20VA | 600-1000A | 10P | Very high current protection applications |
| ZW32 Integration Feature | Description | Benefit |
|---|---|---|
| Pole Mounted Design | Compact design optimized for pole mounting | Seamless integration with ZW32 pole mounted breakers |
| Dry Type Construction | Oil-free maintenance-free design | Matches ZW32 vacuum technology philosophy |
| Multiple Current Ratios | 8 different current ratio configurations | Flexible selection for various ZW32 applications |
| Outdoor Performance | Robust outdoor construction | Reliable operation in outdoor ZW32 installations |
| Compact Lightweight | Space-saving design | Ideal for pole mounted ZW32 switch installations |
| Dry Type Feature | Advantage | Comparison with Oil-Immersed |
|---|---|---|
| Oil-Free Design | No oil leakage risks | Eliminates environmental contamination concerns |
| Maintenance-Free | No oil level monitoring or oil replacement | Significantly reduces maintenance costs |
| Lightweight | Easier pole mounting installation | Reduces structural requirements for pole mounting |
| Environmentally Friendly | No oil disposal requirements | More sustainable and eco-friendly |
| Fire Safety | No flammable oil | Enhanced fire safety for outdoor installations |
| Primary Current Range | Typical Load | Application Scenario | ZW32 Integration |
|---|---|---|---|
| 50-150A | Small residential/commercial loads | Rural distribution, small substations | ZW32-12 for small capacity networks |
| 100-300A | Medium residential/commercial loads | Urban distribution, medium substations | ZW32-12 for medium capacity networks |
| 300-600A | Large commercial/small industrial loads | Industrial distribution, large substations | ZW32-12 for large capacity networks |
| 500-1000A | Large industrial loads | Heavy industrial distribution, main feeders | ZW32-12 for maximum capacity networks |
Bepto is a leading Chinese company in electrical insulation, focused on developing advanced solutions for future power systems. We support transmission and distribution safety and growth, with long-term partners including State Grid, ABB, Schneider, Siemens, and GE. Our services reach clients in over 22 countries.
Bepto focuses on the global market and provides our clients with products suitable for the local market:
Unwavering in our dedication to customers and delivering cutting-edge innovations,Bepto stands as your steadfast ally on the journey ahead.